
MIL-PRF-19978K
dc rated dc voltage or 100 volts dc, whichever is less (2 percent).
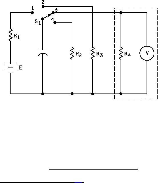
E
=
R1 and R2
=
1,000 ohms ±20 percent. (This is not critical.)
R3
=
5 ohms ±1 percent.
R4
=
10,000 megohms, minimum.
Suggest use of 1230A GR electrometer or equivalent set to 10,000 megohms range input resistance.
NOTES:
1. Charge for 5 minutes 10 seconds with switch in position 1.
2. Switch in position 2 for 5 seconds ±0.5 second.
3. Switch in position 3 for 1 minute.
4. After 1 minute read recovery voltage and compute as a percentage of charge voltage.
5. Switch to position 4, discharge and remove.
FIGURE 1. Typical production dielectric absorption test method.
4.7.18 Stability at low and high temperatures (see 3.22). Capacitors shall be placed in a chamber maintained at
-65°C +0°C, -5°C or -55°C +0°C, -5°C (as applicable, see 3.1), and a potential equal to the dc rated voltage shall be
applied at this condition for 48 hours 4 hours. The air within the conditioning chamber shall be circulated. Before
capacitors are moved from the conditioning chamber, capacitance shall be measured at the applicable low
temperature (see 3.1) as specified in 4.7.9. Capacitance shall then be measured at the following temperature as
specified in 4.7.9. (The measurement at each temperature shall be recorded when two successive readings taken at
5-minute intervals indicate no change in capacitance.)
+25°C 5°C
High ambient test temperature (see 3.1)
+25°C 5°C
After the test, capacitors shall be visually examined for evidence of breakdown, arcing, open-circuiting and
short-circuiting, and other visible mechanical damage.
25
For Parts Inquires submit RFQ to Parts Hangar, Inc.
© Copyright 2015 Integrated Publishing, Inc.
A Service Disabled Veteran Owned Small Business