
INCH-POUND
MIL-C-11015/12F
14 May 2001
SUPERSEDING
MIL-C-11015/12E
10 July 1980
MILITARY SPECIFICATION SHEET
CAPACITORS, FIXED, CERAMIC DIELECTRIC (GENERAL PURPOSE),
STYLE CK63
This specification is approved for use by all Depart-
ments and Agencies of the Department of Defense.
The requirements for acquiring the product described herein
shall consist of this specification and MIL-C-11015.
INACTIVE FOR NEW DESIGN, AFTER 31 MARCH 1999.
FOR REPLACEMENT PURPOSES ONLY.
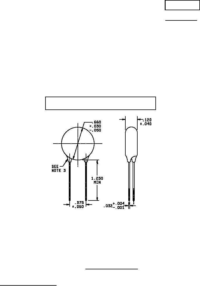
Inches
mm
.001
.03
.004
.10
.030
.76
.032
.81
.040
1.02
NOTES:
.050
1.27
1. Dimensions are in inches.
.060
1.52
2. Metric equivalents are given for general information only.
.120
3.05
3. Insulating coating shall not extend more than .125 (3.18 mm) along lead wires
.375
9.53
measured from a tangent to the coating surface drawn perpendicular to the
.660
16.76
lead wires.
1.250
31.75
FIGURE 1. Dimensions and configuration.
AMSC N/A
1 of 4
FSC 5910
DISTRIBUTION STATEMENT A. Approved for public release; distribution is unlimited.