
INCH-POUND
MIL-C-11015/13E
14 May 2001
SUPERSEDING
MIL-C-11015/13D
3 May 1984
MILITARY SPECIFICATION SHEET
CAPACITORS, FIXED, CERAMIC DIELECTRIC (GENERAL PURPOSE),
(FEED-THRU), STYLE CK70
This specification is approved for use by all Depart-
ments and Agencies of the Department of Defense.
The requirements for acquiring the product described herein
shall consist of this specification and MIL-C-11015.
INACTIVE FOR NEW DESIGN AFTER 31 MARCH 1999.
FOR REPLACEMENT PURPOSES ONLY
Inches
mm
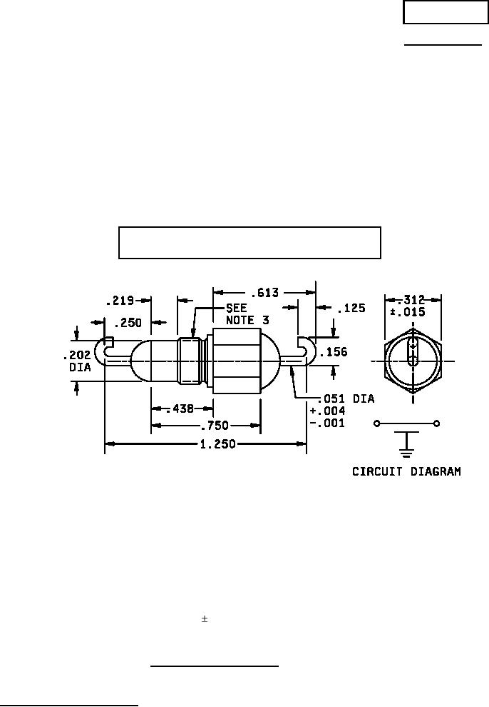
NOTES:
.001
.03
1. Dimensions are in inches.
.004
.10
2. Metric equivalents are given for general information only.
.015
.38
3. Threaded portion shall be .250-28 UNF-2A and shall extend to within .047
.051
1.30
(1.19 mm) of the shoulder.
.125
3.18
4. A nut and internal-tooth lockwasher shall be supplied with each capacitor. The
.156
3.96
nut shall be .312 (7.92 mm) across flats and .125 (3.18 mm) thick. The
.202
5.13
lockwasher shall be silver plated bronze or brass, .4 (10.2 mm) outside diameter,
.219
5.56
.26 (6.6 mm) inside diameter.
.250
6.35
5. Unless otherwise specified, tolerance is .031 (0.79 mm).
.312
7.92
.438
11.13
.613
15.57
.750
19.05
FIGURE 1. Dimensions and configuration.
1.250
31.75
AMSC N/A
1 of 4
FSC 5910
DISTRIBUTION STATEMENT A. Approved for public release; distribution is unlimited.
For Parts Inquires submit RFQ to Parts Hangar, Inc.
© Copyright 2015 Integrated Publishing, Inc.
A Service Disabled Veteran Owned Small Business