
INCH-POUND
MIL-C-11015/14D
14 May 2001
SUPERSEDING
MIL-C-11015/14C
6 December 1967
MILITARY SPECIFICATION SHEET
CAPACITORS, FIXED, CERAMIC DIELECTRIC (GENERAL PURPOSE)
(STAND-OFF),
STYLE CK80
This specification is approved for use by all Depart-
ments and Agencies of the Department of Defense.
The requirements for acquiring the product described herein
shall consist of this specification and MIL-C-11015.
INACTIVE FOR NEW DESIGN AFTER 31 MARCH 1999
FOR REPLACEMENT PURPOSES ONLY
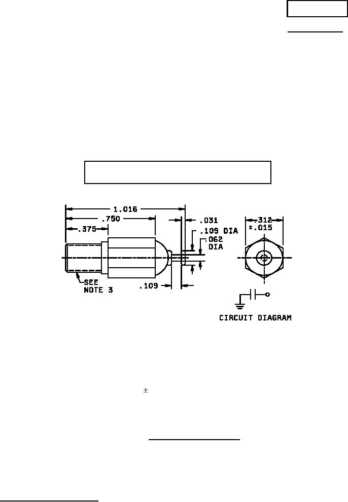
NOTES:
Inches
mm
1. Dimensions are in inches.
.015
.38
2. Metric equivalents are given for general information only.
.031
.79
3. Threaded portion shall be ¼-28 UNF-2A and shall extend to within .047
.062
1.57
(1.19 mm) of the shoulder.
.109
2.77
4. A nut and internal tooth lockwasher shall be supplied with each capacitor.
.312
7.92
5. Unless otherwise specified, tolerance is .031 (.79 mm).
.375
9.53
.750
19.05
1.016
25.81
FIGURE 1. Dimensions and configuration.
AMSC N/A
1 of 3
FSC 5910
DISTRIBUTION STATEMENT A. Approved for public release; distribution is unlimited.
For Parts Inquires submit RFQ to Parts Hangar, Inc.
© Copyright 2015 Integrated Publishing, Inc.
A Service Disabled Veteran Owned Small Business