
INCH-POUND
MIL-C-11015/20D
.
14 May 2001
SUPERSEDING
MIL-C-11015/20C
28 September 1970
MILITARY SPECIFICATION SHEET
CAPACITORS, FIXED, CERAMIC DIELECTRIC (GENERAL PURPOSE),
STYLES CK12, CK13, CK14, CK15, AND CK16
The requirements for acquiring the capacitors described herein
shall consist of this specification and MIL-C-11015.
This specification is approved for use by all Depart-
ments and Agencies of the Department of Defense.
INACTIVE FOR NEW DESIGN
after 28 September 1970. For new design use MIL-PRF-39014/5.
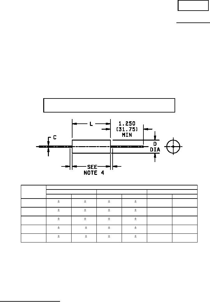
Dimensions
Style
L
D
C
Inches
mm
Inches
mm
Inches
mm
CK12
.016+.006
.41+.15
.160 .010
4.06 .25
.090 .010
2.29 .25
-.001
-.03
CK13
.016+.006
.41+.15
.250 .010
6.35 .25
.090 .010
2.29 .25
-.001
-.03
CK14
.025+.004
.64+.10
.390 .010
9.91 .25
.140 .010
3.56 .25
-.001
-.03
CK15
.025+.004
.64+.10
.500 .020
12.70 .51
.250 .015
6.35 .38
-.001
-.03
CK16
.025+.004
.64+.10
.690 .030
17.53 .76
.350 .020
8.89 .51
-.001
-.03
NOTES:
1. Dimensions are in inches.
2. Millimeters are in parentheses.
3. Metric equivalents are given for general information only.
4. Non-conductive material shall not extend beyond .010 (.25 mm) from end of capacitor body.
5. Lead length may be a minimum of one inch long for use in tape and reel automatic insertion equipment, when
specified in the ordering data.
AMSC N/A
1 of 7
FSC 5910
DISTRIBUTION STATEMENT A. Approved for public release; distribution is unlimited.
For Parts Inquires submit RFQ to Parts Hangar, Inc.
© Copyright 2015 Integrated Publishing, Inc.
A Service Disabled Veteran Owned Small Business