
INCH-POUND
MIL-C-11015/23D
14 May 2001
SUPERSEDING
MIL-C-11015/23C
2 June 1982
MILITARY SPECIFICATION SHEET
CAPACITORS, FIXED, CERAMIC DIELECTRIC (GENERAL PURPOSE), (FEED-THRU),
STYLE CK72
This specification is approved for use by all Depart-
ments and Agencies of the Department of Defense.
The requirements for acquiring the product described herein
shall consist of this specification and MIL-C-11015.
INACTIVE FOR NEW DESIGN AFTER 31 MARCH 1999.
FOR REPLACEMENT PURPOSES ONLY.
Inches
mm
.005
.13
.015
.38
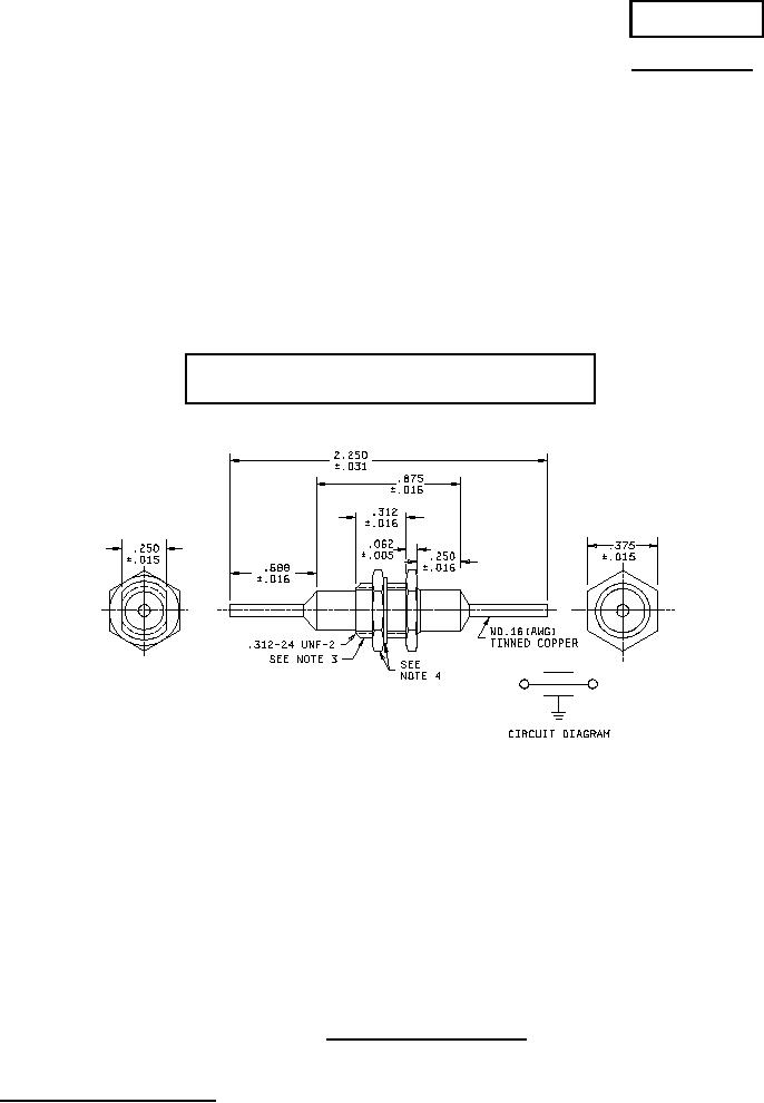
NOTES:
.016
.41
1. Dimensions are in inches.
.031
.79
2. Metric equivalents are given for general information only.
.062
1.57
3. The threaded portion shall extend to within .047 (1.19 mm) of the shoulder.
.250
6.35
4. A nut and internal-tooth lockwasher shall be supplied with each capacitor when
.312
7.92
requested by the procuring activity.
.375
9.53
.688
17.48
.875
22.23
2.250
57.15
FIGURE 1. Dimensions and configuration.
AMSC N/A
1 of 4
FSC 5910
DISTRIBUTION STATEMENT A. Approved for public release; distribution is unlimited.