
IIINCH-POUND
MIL-C-11015/29E
13 June 2002
SUPERSEDING
MIL-C-11015/29D
14 May 2001
MILITARY SPECIFICATION SHEET
CAPACITORS, FIXED, CERAMIC DIELECTRIC (GENERAL PURPOSE),
(FEED-THRU OR STAND-OFF)
STYLES CK74, CK75, CK78, CK79, AND CK85
This specification is approved for use by all Depart-
ments and Agencies of the Department of Defense.
The requirements for acquiring the product described herein
shall consist of this specification and MIL-C-11015.
INACTIVE FOR NEW DESIGN AFTER 7 APRIL 1999.
FOR REPLACEMENT PURPOSES ONLY
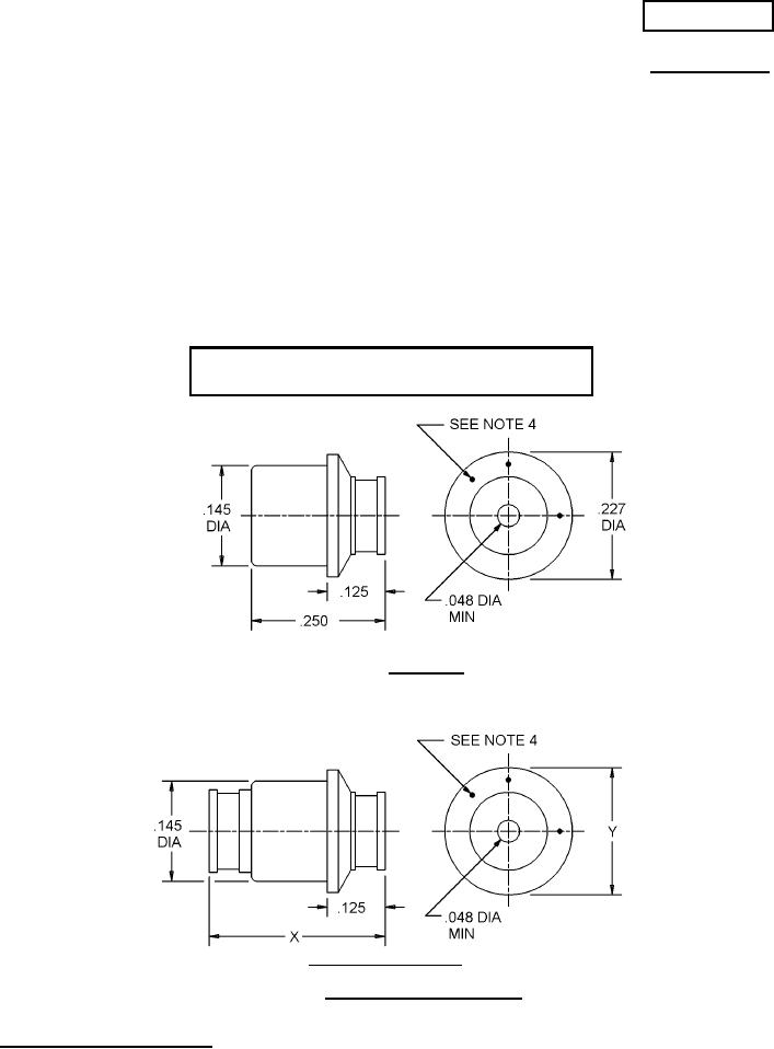
Style CK85
*
Styles CK75 and CK79
FIGURE 1. Dimensions and configuration.
AMSC N/A
1 of 4
FSC 5910
DISTRIBUTION STATEMENT A. Approved for public release; distribution is unlimited.