
INCH-POUND
MIL-C-11015/32B
14 May 2001
SUPERSEDING
MIL-C-11015/32A
15 December 1989
MILITARY SPECIFICATION SHEET
CAPACITORS, FIXED, CERAMIC DIELECTRIC (GENERAL PURPOSE),
(FEED-THRU)
STYLE CK99
This specification is approved for use by all Depart-
ments and Agencies of the Department of Defense.
The requirements for acquiring the product described herein
shall consist of this specification and MIL-C-11015.
INACTIVE FOR NEW DESIGN AFTER 31 MARCH 1999.
FOR REPLACEMENT PURPOSES ONLY.
SEE TABLE II FOR SUBSTITUTION INFORMATION.
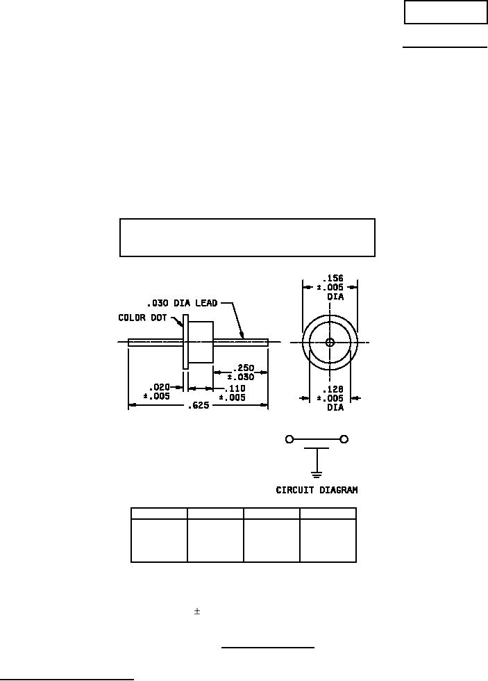
Inch
mm
Inch
mm
.005
0.13
.128
3.25
.020
0.51
.156
3.96
.030
0.76
.250
6.35
.110
2.79
.625
15.88
NOTES:
1. Dimensions are in inches.
2. Metric equivalents are given for general information only.
3. Unless otherwise specified, tolerance is .015 (0.38 mm).
FIGURE 1. Style CK99 capacitors.
AMSC N/A
1 of 3
FSC 5910
DISTRIBUTION STATEMENT A. Approved for public release; distribution is unlimited.