
INCH-POUND
MIL-C-11015/4D
14 May 2001
SUPERSEDING
MIL-C-11015/4C
6 December 1967
MILITARY SPECIFICATION SHEET
CAPACITORS, FIXED, CERAMIC DIELECTRIC (GENERAL PURPOSE),
STYLE CK27
This specification is approved for use by all Depart-
ments and Agencies of the Department of Defense.
The requirements for acquiring the product described herein
shall consist of this specification and MIL-C-11015.
INACTIVE FOR NEW DESIGN.
FOR REPLACEMENT PURPOSES ONLY
Inches
mm
.001
.03
.004
.10
.025
.64
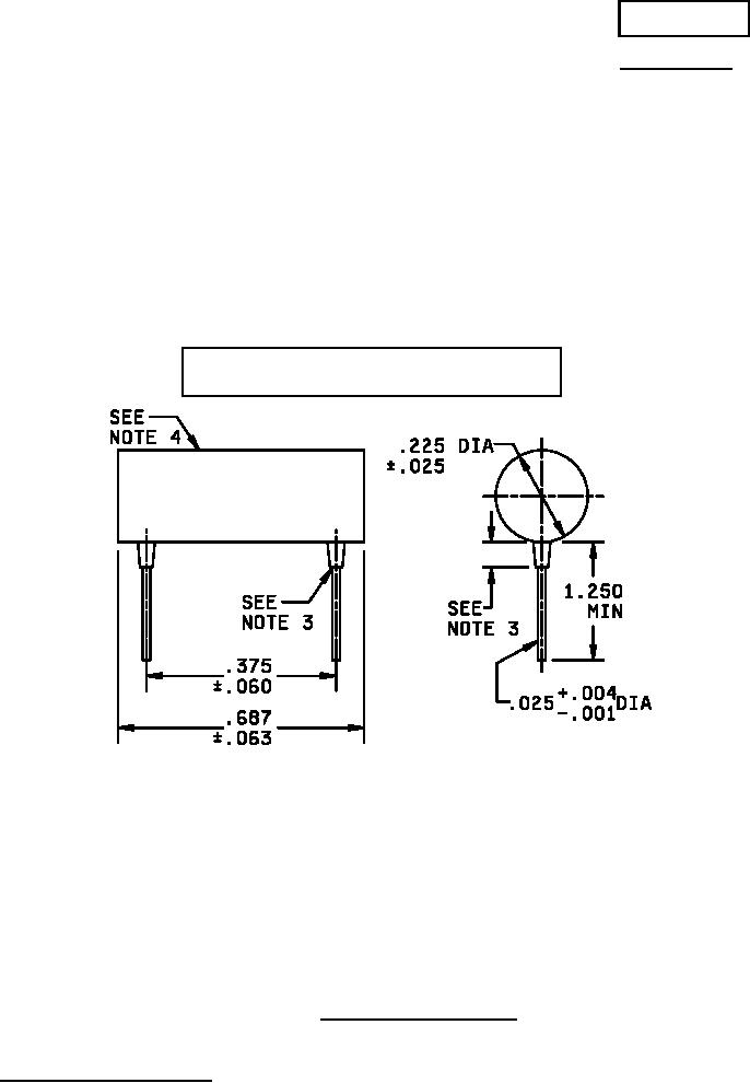
NOTES:
.060
1.52
1. Dimensions are in inches.
.063
1.60
2. Metric equivalents are given for general information only.
.225
5.72
3. Insulating coating shall not extend more than .125 (3.18 mm) along lead wires
.375
9.53
measured from body of capacitor.
.687
17.45
4. The beginning of the type designation shall be adjacent to the end having the
1.250
31.75
inner-electrode terminal.
FIGURE 1. Dimensions and configuration.
AMSC N/A
1 of 3
FSC 5910
DISTRIBUTION STATEMENT A. Approved for public release; distribution is unlimited.