
INCH-POUND
MIL-C-11272/14C
4 February 2008
SUPERSEDING
MIL-C-11272/14B
7 February 2003
MILITARY SPECIFICATION SHEET
CAPACITORS, FIXED, GLASS DIELECTRIC
STYLE CY07
This specification is approved for use by all Departments
and Agencies of the Department of Defense.
*
The requirements for acquiring the product described herein
shall consist of this specification sheet and MIL-C-11272.
*
INACTIVE FOR DESIGN AFTER 7 JAN 1970.
USE MIL-PRF-23269/10, STYLE CYR52.
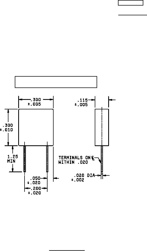
Inches
mm
Inches
mm
.002
0.05
.115
2.92
.005
0.13
.200
5.08
.010
0.25
.300
7.62
.020
0.51
1.25
31.75
.050
1.27
NOTES:
1. Dimensions are in inches.
2. Metric equivalents are given for general information only.
FIGURE 1. Style CY07 capacitors.
AMSC N/A
FSC 5910