
INCH-POUND
MIL-C-11272/4C
7 February 2003
SUPERSEDING
MIL-C-11272/4B
7 January 1970
MILITARY SPECIFICATION
CAPACITORS, FIXED, GLASS DIELECTRIC
STYLE CY30
This specification is approved for use by all Departments
and Agencies of the Department of Defense.
INACTIVE FOR DESIGN AFTER
7 JAN 1970. USE MIL-PRF-23269.
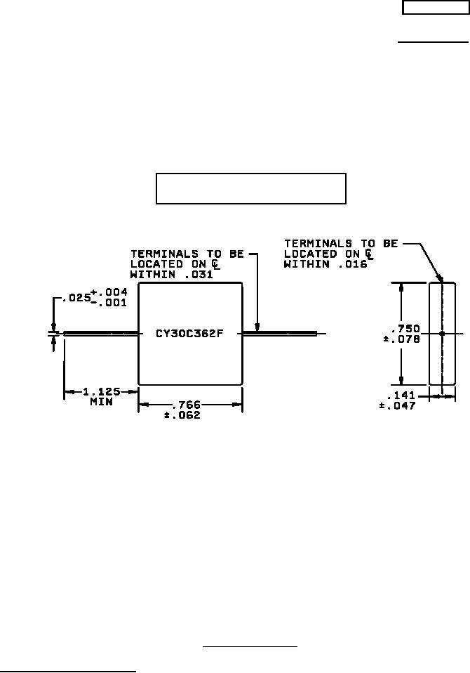
Inches
mm
.001
.03
.004
.10
.025
.64
.031
.79
.047
1.19
.062
1.57
.078
1.98
.141
3.58
.750
19.05
.766
19.46
1.125
28.58
NOTES:
1. Dimensions are in inches.
2. Metric equivalents are given for general information only.
Style CY30 capacitors.
AMSC N/A
1 of 4
FSC 5910
DISTRIBUTION STATEMENT A. Approved for public release; distribution is unlimited.