
MIL-C-18312/5C
27 August 2001
SUPERSEDING
MIL-C-18312/5B
8 January 1970
MILITARY SPECIFICATION SHEET
CAPACITORS, FIXED, METALLIZED (PAPER-PLASTIC, OR PLASTIC FILM)
DIELECTRIC, DIRECT CURRENT
(HERMETICALLY SEALED IN METAL CASES),
STYLE CH54
This specification is approved for use by all Departments
and Agencies of the Department of Defense.
The requirements for acquiring the product described herein
shall consist of this specification sheet and MIL-C-18312.
INACTIVE FOR NEW DESIGN,
after 8 January 1970
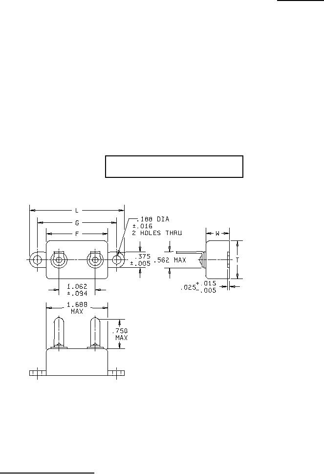
Inches
mm
.005
.13
.015
.38
.016
.41
.025
.64
.094
2.39
.188
4.78
.375
9.53
.562
14.27
.750
19.05
1.062
26.97
1.688
42.88
NOTES:
1. Dimensions are in inches.
2. Metric equivalents are given for general information only.
3. See table I for additional dimensions.
AMSC N/A
1 of 4
FSC 5910
DISTRIBUTION STATEMENT A. Approved for public release; distribution is unlimited.