
INCH-POUND
MIL-C-19978/12B
18 June 2001
SUPERSEDING
MIL-C-19978/12A
16 February 1995
MILITARY SPECIFICATION SHEET
CAPACITORS, FIXED, PLASTIC (OR PAPER-PLASTIC) DIELECTRIC,
AXIAL-WIRE TERMINAL, TUBULAR (UNINSULATED)
(HERMETICALLY SEALED IN METAL CASES),
ESTABLISHED RELIABILITY, STYLE CQR19
INACTIVE FOR NEW DESIGN
AFTER 20 OCTOBER 1972
This specification is approved for use by all Departments
and Agencies of the Department of Defense.
The requirements for acquiring the product described herein
shall consist of this specification and MIL-PRF-19978.
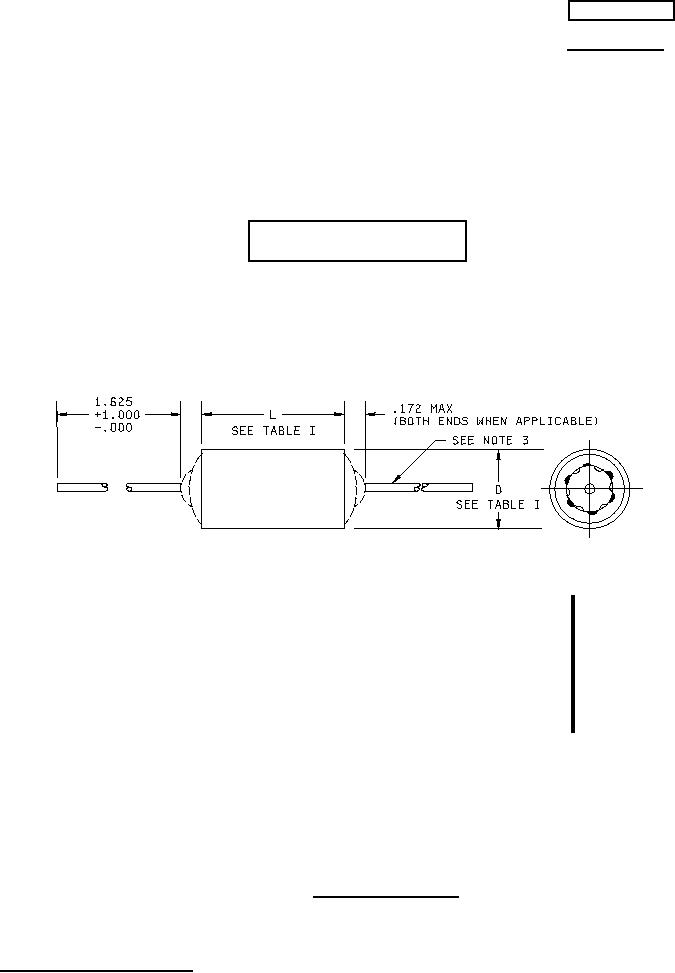
Inches
mm
Inches
mm
.001
0.03
.195
4.95
.004
0.10
.235
5.97
.020
0.51
.312
7.92
.025
0.64
.400
10.16
.032
0.81
1.000
25.40
.562 14.27
1.562
39.67
NOTES:
.172
4.37
1.625
41.38
1.
Dimensions are in inches.
.175
4.45
2.
Metric equivalents are given for general information only.
3.
Leads shall be of tinned solid wire, .020 (No. 24AWG) for cases .175 and .195 in diameter; .025 (No. 22
AWG) for cases .235 through .312 diameter; and .032 (No. 20 AWG) for cases .400 diameter and above.
Tolerance on all lead wire diameters shall be -.004, -.001.
4.
Capacitors with dimension L of 1.562 or D of .562 and larger, are not intended to be supported by their
leads. These capacitors shall be provided with a supplementary means of mounting, such as a wrap-
around band.
5.
Lead length may be a minimum of 1.00 inch long for use in tape and reel packaging when specified in the
ordering data.
FIGURE 1. Style CQR19 capacitors.
AMSC N/A
1 of 5
FSC 5910
DISTRIBUTION STATEMENT A. Approved for public release; distribution is unlimited.