
INCH-POUND
MIL-C-19978/17B
18 June 2001
SUPERSEDING
MIL-C-19978/17A
19 June 1990
MILITARY SPECIFICATION SHEET
CAPACITORS, FIXED, PLASTIC (OR PAPER-PLASTIC) DIELECTRIC,
AXIAL-WIRE TERMINAL, TANGENTIAL RETAINER, TUBULAR (UNINSULATED),
(HERMETICALLY SEALED IN METAL CASES),
ESTABLISHED RELIABILITY, STYLE CQR42
INACTIVE FOR NEW DESIGN
AFTER 20 OCTOBER 1972
This specification is approved for use by all Departments
and Agencies of the Department of Defense.
The requirements for acquiring the product described herein
shall consist of this specification and MIL-PRF-19978.
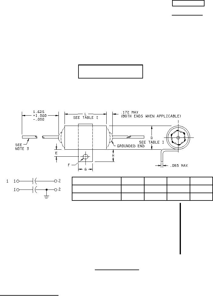
H ± .062
G ± .062
E ± .031
F ± .005
Case dimensions D
Less than .500
.312
.250
.188
.144
3
.500 and up
.438
.500
.250
.156
Inches
mm
Inches
mm
.001
0.03
.172
4.37
.004
0.10
.188
4.78
.005
0.13
.235
5.97
NOTES:
.025
0.64
.250
6.35
1. Dimensions are in inches.
.031
0.79
.312
7.92
2. Metric equivalents are given for general information only.
.032
0.81
.400
10.16
3. Leads shall be of tinned solid wire, .025 (No. 22 AWG) for
.062
1.57
.438
11.13
cases .235 and .312 in diameter; and .032 (No. 20 AWG) for
.0625
1.59
.500
12.70
cases .400 diameter and above. Tolerance on all lead wire
.144
3.66
1.000
25.40
diameters shall be + .004, -.001.
.156
3.96
1.625
41.28
FIGURE 1. Style CQR42 capacitors.
AMSC N/A
1 of 7
FSC 5910
DISTRIBUTION STATEMENT A. Approved for public release; distribution is unlimited.