
INCH-POUND
MIL-C-19978/18B
18 June 2001
SUPERSEDING
MIL-C-19978/18A
19 June 1990
MILITARY SPECIFICATION SHEET
CAPACITORS, FIXED, PLASTIC (OR PAPER-PLASTIC) DIELECTRIC,
AXIAL-WIRE TERMINAL, THREADED-STUD RETAINER, TUBULAR (UNINSULATED),
(HERMETICALLY SEALED IN METAL CASES),
ESTABLISHED RELIABILITY, STYLE CQR43
INACTIVE FOR NEW DESIGN
AFTER 20 OCTOBER 1972
This specification is approved for use by all Departments
and Agencies of the Department of Defense.
The requirements for acquiring the product described herein
shall consist of this specification and MIL-PRF-19978.
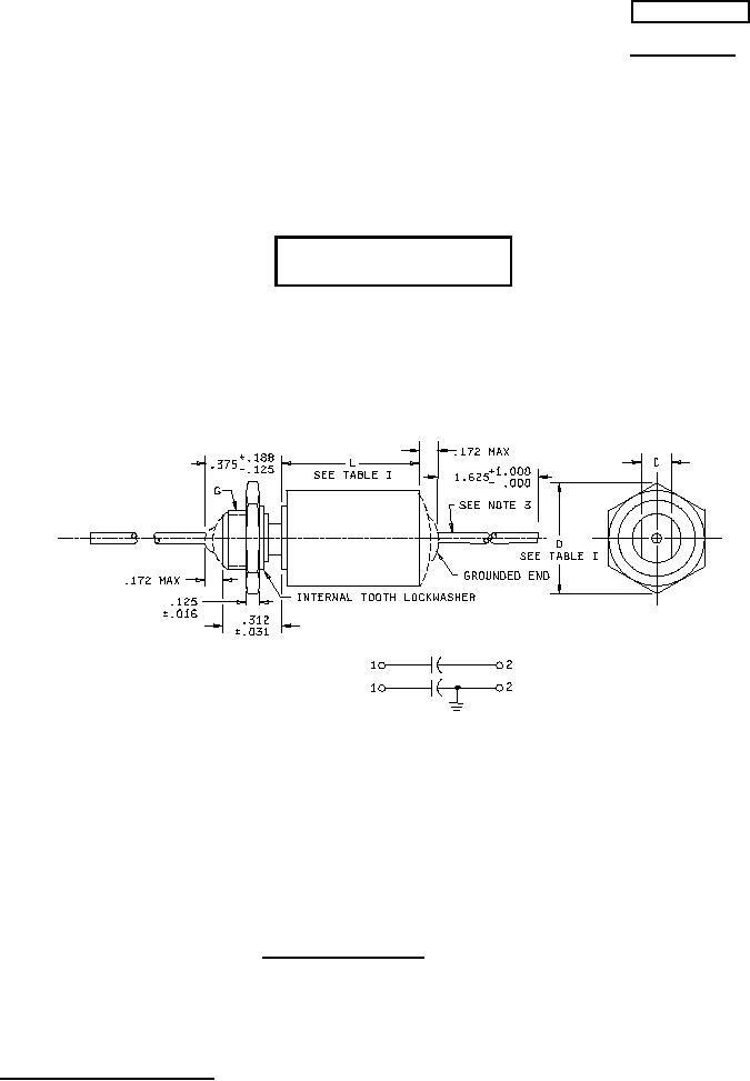
Inches
mm
.001
0.03
.004
0.10
.016
0.41
NOTES:
.031
0.79
1. Dimensions are in inches.
.032
0.81
2. Metric equivalents are given for general information only.
.125
3.18
3. Leads shall be of tinned solid wire, .032 + .004, -.001 (No. 20 AWG).
.172
4.37
4. Mounting nuts and lockwashers shall be supplied.
.188
4.78
.312
7.92
.375
9.54
1.000
25.40
1.625
41.28
FIGURE 1. Style CQR43 capacitors.
AMSC N/A
1 of 7
FSC 5910
DISTRIBUTION STATEMENT A. Approved for public release; distribution is unlimited.