
INCH-POUND
MIL-C-19978/20A
18 June 2001
SUPERSEDING
MIL-C-19978/20
30 August 1974
MILITARY SPECIFICATION SHEET
CAPACITORS, FIXED, PLASTIC (OR PAPER-PLASTIC) DIELECTRIC,
AXIAL-WIRE TERMINAL, TANGENTIAL RETAINER, TUBULAR (UNINSULATED),
(HERMETICALLY SEALED IN METAL CASES),
STYLE CQ10
INACTIVE FOR NEW DESIGN
AFTER 30 AUGUST 1974
This specification is approved for use by all Departments
and Agencies of the Department of Defense.
The requirements for acquiring the product described herein
shall consist of this specification and MIL-PRF-19978.
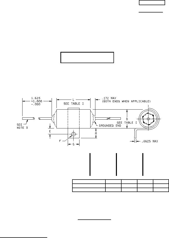
Inches
mm
Inches
mm
Inches
mm
Inches
mm
.001
0.03
.032
0.81
.172
4.37
.400
10.16
.004
0.10
.062
1.57
.188
4.78
.438
11.13
.005
0.13
.0625
1.59
.235
5.97
.500
12.70
.025
0.64
.144
3.66
.250
6.35
1.000
25.40
.031
0.79
.156
3.96
.312
7.92
1.625
41.28
H±.062
G±.062
E±.031
F±.005
Case dimension D
Less than .500
.312
.250
.188
.144
.500 and up
.438
.500
.250
.156
NOTES:
1. Dimensions are in inches.
2. Metric equivalents are given for general information only.
3. Leads shall be of tinned solid wire, .025 (No. 22 AWG) for cases .235 and .312 in diameter; and .032 (No.
20 AWG) for cases .400 diameter and above. Tolerance on all lead wire diameters shall be + .004, -.001.
FIGURE 1. Style CQ10 capacitors.
AMSC N/A
1 of 6
FSC 5910
DISTRIBUTION STATEMENT A. Approved for public release; distribution is unlimited.