
INCH-POUND
MIL-C-19978/21A
18 June 2001
SUPERSEDING
MIL-C-19978/21
30 August 1974
MILITARY SPECIFICATION SHEET
CAPACITORS, FIXED, PLASTIC (OR PAPER-PLASTIC) DIELECTRIC,
AXIAL-WIRE TERMINAL, THREADED-STUD RETAINER, TUBULAR (UNINSULATED),
(HERMETICALLY SEALED IN METAL CASES),
STYLE CQ11
INACTIVE FOR NEW DESIGN
AFTER 30 AUGUST 1974
This specification is approved for use by all Departments
and Agencies of the Department of Defense.
The requirements for acquiring the product described herein
shall consist of this specification and MIL-PRF-19978.
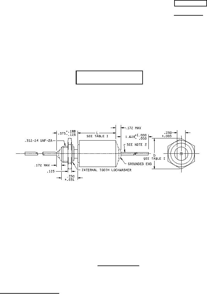
Inches
mm
.001
0.03
.004
0.10
.005
0.13
.031
0.79
.032
0.81
.125
3.18
.172
4.37
NOTES:
.250
6.35
1. Dimensions are in inches.
.312
7.92
2. Metric equivalents are given for general information only.
.375
9.53
3. Leads shall be of tinned solid wire, .032 + .004, -.001 (No. 20 AWG).
1.000
25.40
4. Mounting nuts and lockwashers shall be supplied.
1.625
41.28
FIGURE 1. Style CQ11 capacitors.
AMSC N/A
1 of 5
FSC 5910
DISTRIBUTION STATEMENT A. Approved for public release; distribution is unlimited.