
INCH POUND
MIL-C-62/1D
18 December 2008
SUPERSEDING
MIL-C-62/1C
6 February 2004
MILITARY SPECIFICATION SHEET
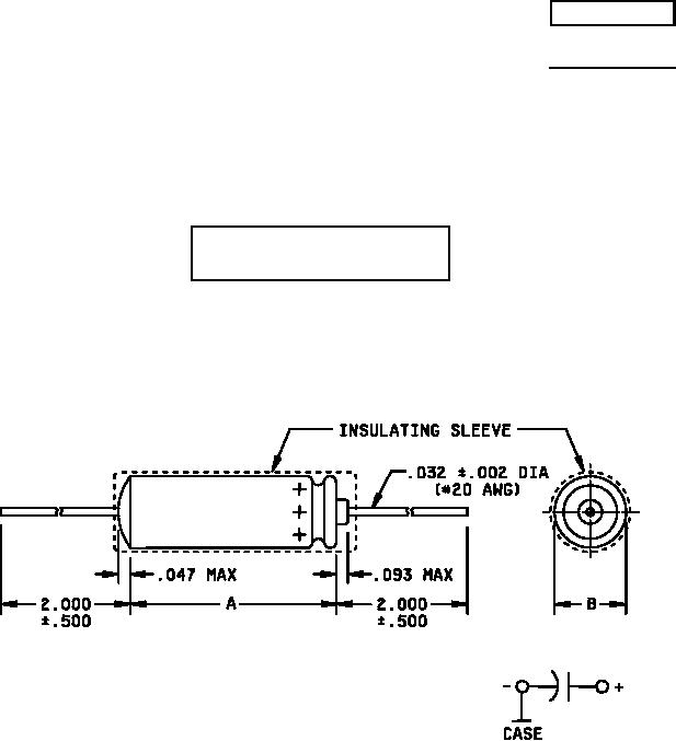
CAPACITORS, FIXED, ELECTROLYTIC
(DC, ALUMINUM, DRY ELECTROLYTE, POLARIZED)
STYLES CE10 AND CE11
INACTIVE FOR NEW DESIGN
AFTER 27 MARCH 1979
This specification sheet is approved for use by all Departments
and Agencies of the Department of Defense.
The requirements for acquiring the capacitors described herein shall consist
of this document and the latest issue of specification MIL-C-62.
STYLES
CE10 - uninsulated
CE11 - insulated
Inches
mm
.002
.05
.032
.81
.047
1.19
.093
2.36
.500
12.70
2.000
50.80
NOTES:
1. Dimensions are in inches.
2. Metric equivalents are given for general information only.
AMSC N/A
FSC5910