
INCH-POUND
MIL-C-62/10E
30 November 2007
SUPERSEDING
MIL-C-62/10D
12 February 2003
MILITARY SPECIFICATION SHEET
CAPACITORS, FIXED, ELECTROLYTIC
(DC, ALUMINUM, DRY ELECTROLYTE, POLARIZED)
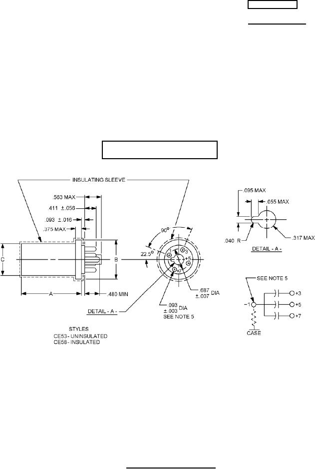
STYLES CE53 AND CE58
This specification is approved for use by all Depart-
ments and Agencies of the Department of Defense.
The requirements for acquiring the product described herein
shall consist of this specification sheet and MIL-C-62.
Inactive for new design
(For replacement purposes only)
Inches
mm
.003
0.08
.007
0.18
.016
0.41
.040
1.02
.055
1.40
.056
1.42
.093
2.36
.095
2.41
NOTES:
.317
8.05
1. Dimensions are in inches.
.375
9.53
2. Unless otherwise specified, tolerances are ± .015 (.38 mm) on decimals and
.411
10.44
± 0°30' on angles.
.480
12.19
3. Metric equivalents are given for general information only.
.563
14.30
4. Capacitors plug into a standard, medium octal socket (Family 4).
.687
17.45
5. Number 1 terminal is negative. Pins are made of brass, nickel plated and polished with
rounded edges. The capacitor never has less than four pin terminals.
6. There is an indeterminate resistance between the metal case and the negative terminal.
FIGURE 1. Dimensions and configuration.
AMSC N/A
FSC 5910