
INCH POUND
MIL-C-62/12G
18 December 2008
SUPERSEDING
MIL-C-62/12F
26 August 2004
MILITARY SPECIFICATION SHEET
CAPACITORS, FIXED, ELECTROLYTIC
(DC, ALUMINUM, DRY ELECTROLYTE, POLARIZED)
STYLES CE70 AND CE71
INACTIVE FOR NEW DESIGN
AFTER 1 JULY 1998
The requirements for acquiring the product described herein shall
consist of this specification sheet and the latest issue of MIL-C-62.
This specification is mandatory for use by all Depart-
ments and Agencies of the Department of Defense.
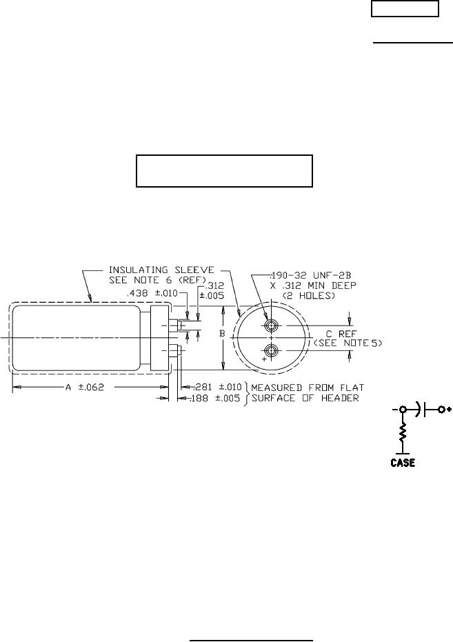
STYLES
CE70 - uninsulated
CE71 - insulated
Inches
mm
.005
0.13
.010
0.25
NOTES:
.062
1.57
1. Dimensions are in inches.
.188
4.78
2. Metric equivalents are given for general information only.
.190
4.83
3. Capacitors (Family 6 (see basic)) are mounted by means of a wraparound, footed-type
.281
7.14
bracket.
.312
7.92
4. There is an indeterminate resistance between the metal case and negative terminal.
.438
11.13
5. "C" dimensions is .500 (12.70 mm) for case diameter 1.375(34.93 mm); .875(22.23 mm) for
case diameter 2.000 (50.80 mm); 1.125 (28.58 mm) for case diameter 2.500 (63.50 mm)
and 1.250 (31.75 mm) for case diameter 3.000 (76.20 mm).
6. Style CE71 insulating sleeve thickness shall not exceed .016 (.41 mm) and shall lap over the ends of
the capacitor body.
FIGURE 1. Dimensions and configuration.
AMSC N/A
FSC5910
For Parts Inquires submit RFQ to Parts Hangar, Inc.
© Copyright 2015 Integrated Publishing, Inc.
A Service Disabled Veteran Owned Small Business