
INCH-POUND
MIL-C-62/5D
21 November 2007
SUPERSEDING
MIL-C-62/5C
12 February 2003
MILITARY SPECIFICATION SHEET
CAPACITORS, FIXED, ELECTROLYTIC
(DC, ALUMINUM, DRY ELECTROLYTE, POLARIZED)
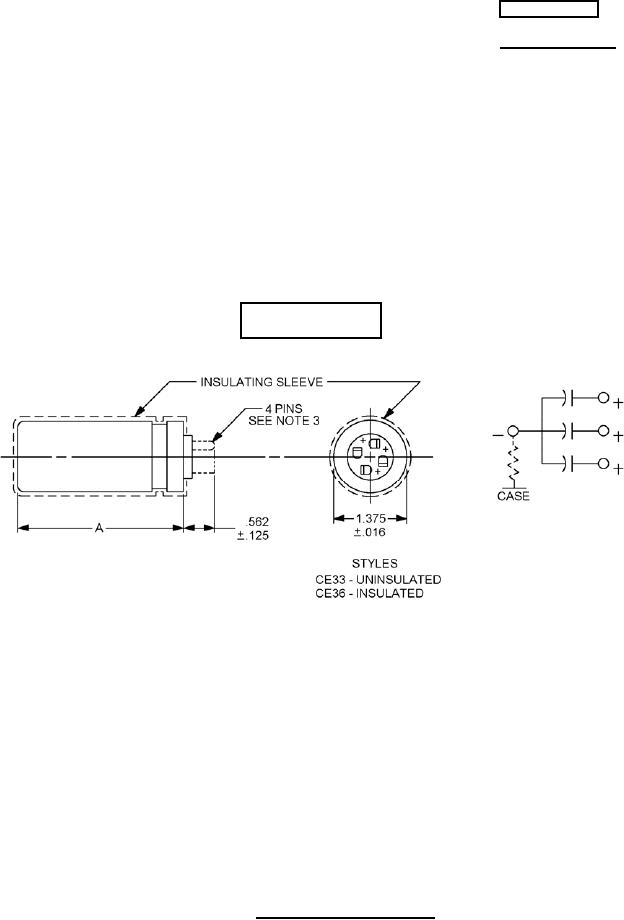
STYLES CE33 AND CE36
This specification is approved for use by all Departments
and Agencies of the Department of Defense.
The requirements for acquiring the product described herein
shall consist of this specification sheet and MIL-C-62.
Inactive for design
after 27 March 1979
lnches
mm
.016
0.41
.125
3.18
.562
14.27
1.375
34.93
NOTES:
1.
Dimensions are in inches.
2.
Metric equivalents are given for general information only.
3.
Shape and position of lugs optional.
4.
Capacitors are mounted by means of a mounting ring. (Family 2)
5.
There is an indeterminate resistance between the metal case and the negative terminal.
FIGURE 1. Dimensions and configuration.
AMSC N/A
FSC 5910