
INCH-POUND
MIL-C -62/6D
21 November 2007
SUPERSEDING
MIL-C-62C
12 February 2003
MILITARY SPECIFICATION SHEET
CAPACITORS, FIXED, ELECTROLYTIC
(DC, ALUMINUM, DRY ELECTROLYTE, POLARIZED)
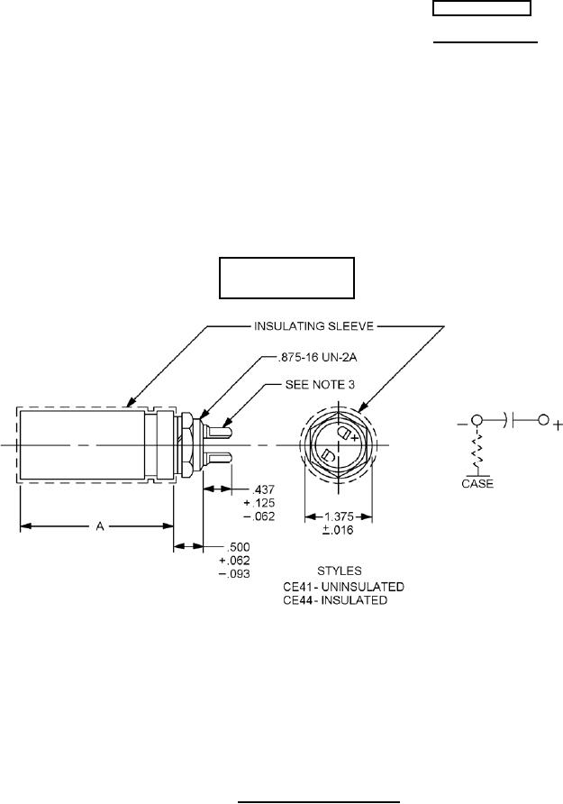
STYLES CE41 AND CE44
This specification is approved for use by all Depart-
ments and Agencies of the Department of Defense.
The requirements for acquiring the capacitors described herein
shall consist of this document and the latest issue of MIL-C-62.
Inactive for design
after 27 March 1979
Inches
mm
.016
0.41
.062
1.57
.093
2.36
.125
3.18
.431
10.95
.500
12.70
1.375
34.93
NOTES:
1. Dimensions are in inches.
2. Metric equivalents are given for general information only.
3. Shape and position of lugs optional.
4. Capacitors are mounted by means of a mounting ring. (Family 2)
5. There is an indeterminate resistance between the metal case and the negative terminal.
FIGURE 1. Dimensions and configuration.
AMSC N/A
FSC 5910