
INCH-POUND
MIL-C-62/8E
30 November 2007
SUPERSEDING
MIL-C-62/8D
12 February 2003
MILITARY SPECIFICATION SHEET
CAPACITORS, FIXED, ELECTROLYTIC
(DC, ALUMINUM, DRY ELECTROLYTE, POLARIZED)
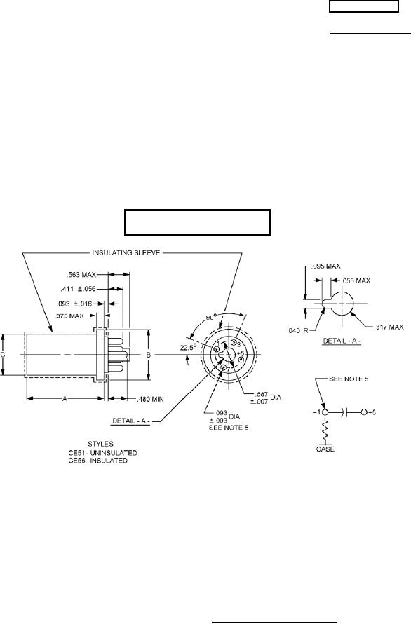
STYLES CE51 AND CE56
This specification is approved for use by all Depart-
ments and Agencies of the Department of Defense.
The requirements for acquiring the product described herein
shall consist of this specification sheet and MIL-C-62.
Inactive for new design
(For replacement purposes only)
Inches
mm
.003
0.08
NOTES:
.007
0.18
1. Dimensions are in inches.
.016
0.41
2. Unless otherwise specified, tolerances are ± .015 (0.38 mm) on decimals and
.040
1.02
± 0°30' on angles.
.055
1.40
3. Metric equivalents are given for general information only.
.056
1.42
4. Capacitors plug into a standard, medium octal socket (Family 4).
.093
2.36
5. Number 1 terminal is negative. Pins are made of brass, nickel plated and polished
.095
2.41
with rounded edges. The capacitor never has less than four pin terminals.
.317
8.05
6. There is an indeterminate resistance between the metal case and the negative
.375
9.53
terminal.
.411
10.44
.480
12.19
FIGURE 1. Dimensions and configuration.
.563
14.30
.687
17.45
AMSC N/A
FSC 5910