
INCH-POUND
MIL-DTL-3965/20F
19 August 2002
SUPERSEDING
MIL-C-3965/20E
26 August 1970
DETAIL SPECIFICATION SHEET
CAPACITORS, FIXED, ELECTROLYTIC (NONSOLID ELECTROLYTE), TANTALUM,
(POLARIZED, SINTERED SLUG) - 85°C (VOLTAGE DERATED TO 125°C),
STYLES CL10 AND CL13
INACTIVE FOR NEW EQUIPMENT DESIGN
NO SUPERSEDING DOCUMENT
This specification is approved for use to the Depart-
ments and Agencies of the Department of Defense.
The requirements for acquiring the product described herein
shall consist of this specification and MIL-DTL-3965.
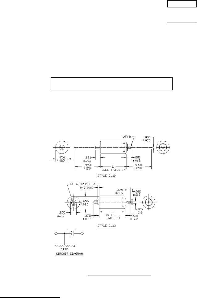
FIGURE 1. Styles CL10 and CL13 capacitors.
AMSC N/A
1 of 9
FSC 5910
DISTRIBUTION STATEMENT A. Approved for public release; distribution is unlimited.
For Parts Inquires submit RFQ to Parts Hangar, Inc.
© Copyright 2015 Integrated Publishing, Inc.
A Service Disabled Veteran Owned Small Business