
INCH-POUND
MIL-PRF-123/18C
19 August 2011
SUPERSEDING
MIL-PRF-123/18B
26 April 2007
PERFORMANCE SPECIFICATION SHEET
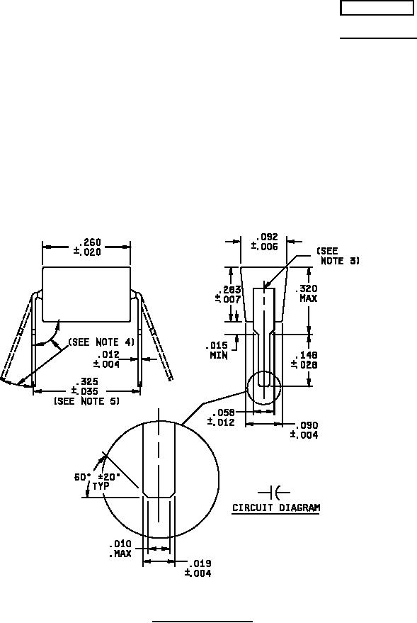
CAPACITORS, FIXED, CERAMIC DIELECTRIC,
(GENERAL PURPOSE), HIGH RELIABILITY,
LEADED, STYLE CKS24
This specification sheet is approved for use by all Departments
and Agencies of the Department of Defense.
The requirements for acquiring the product described herein
shall consist of this specification sheet and MIL-PRF-123.
FIGURE 1. Style CKS24 capacitors.
AMSC N/A
FSC 5910