
INCH-POUND
MIL-PRF-123/4E
21 April 2014
SUPERSEDING
MIL-PRF-123/4D
28 September 2007
PERFORMANCE SPECIFICATION SHEET
CAPACITORS, FIXED, CERAMIC DIELECTRIC,
(TEMPERATURE STABLE AND GENERAL PURPOSE),
HIGH RELIABILITY, LEADED, STYLE CKS11
This specification sheet is approved for use by all Departments
and Agencies of the Department of Defense.
The requirements for acquiring the product described herein
shall consist of this specification sheet and MIL-PRF-123.
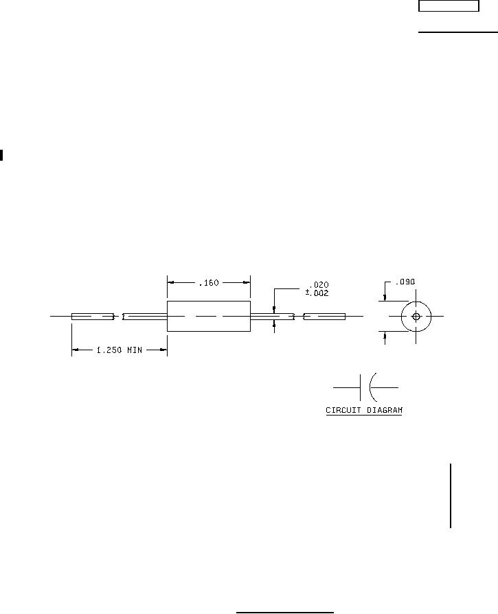
Inches
mm
.002
0.05
.020
0.51
NOTES:
.090
2.29
1. Dimensions are in inches.
.160
4.06
2. Metric equivalents are given for general information.
3. Unless otherwise specified, tolerance is ±.010 (0.25 mm).
1.250
31.75
FIGURE 1. Style CKS11 capacitors.
AMSC N/A
FSC 5910
For Parts Inquires submit RFQ to Parts Hangar, Inc.
© Copyright 2015 Integrated Publishing, Inc.
A Service Disabled Veteran Owned Small Business