
INCH POUND
MIL-PRF-14409/13M
11 June 2010
SUPERSEDING
MIL-PRF-14409/13L
25 July 2001
PERFORMANCE SPECIFICATION SHEET
CAPACITORS, VARIABLE (PISTON TYPE,
TUBULAR TRIMMER), STYLES PC26
This specification sheet is approved for use by all Departments
and Agencies of the Department of Defense.
The requirements for acquiring the capacitors described herein shall consist
of this specification sheet and MIL-PRF-14409.
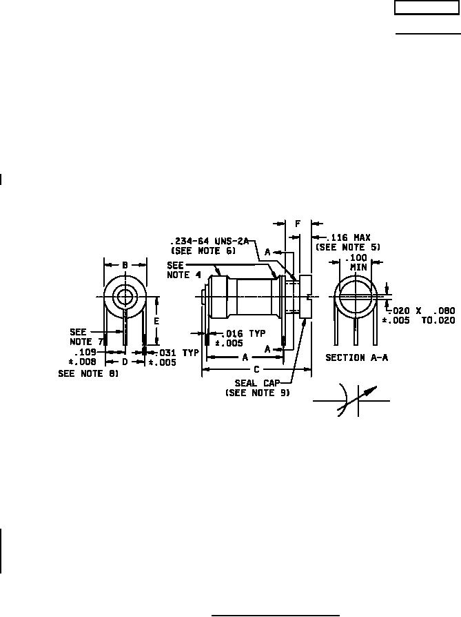
Inches
mm
.005
0.13
.008
0.20
.016
0.41
.020
0.51
.031
0.79
.080
2.03
.100
2.54
.109
2.77
NOTES:
.116
2.95
1. Dimensions are in inches.
.234
5.94
2. Metric equivalents are given for general information only.
3. Unless otherwise specified, tolerance is ± .016 inch (0.41 mm).
4. If solder is used, the soldering of the turret cap to the cylinder, and of the cylinder to the base and to the base
leads shall be accomplished with a high temperature solder having a melting point of +300°C +50°C, -5°C.
5. For PIN PC26J060, dimension shall be .094 ±.005 (2.39 mm ± 0.13 mm).
6. For PIN PC26J060, thread shall be .190-64 UNS-2A.
7. For PIN PC26J300, two terminals shall be used of same size and length as front terminals.
8. For PIN PC26J060, dimension shall be .078 ±.008 (1.95 ± 0.20 mm).
9. Seal cap shall be slotted.
FIGURE 1. Dimensions and configurations.
AMSC N/A
FSC 5910
For Parts Inquires submit RFQ to Parts Hangar, Inc.
© Copyright 2015 Integrated Publishing, Inc.
A Service Disabled Veteran Owned Small Business