
MIL-PRF-14409/15H
Inches
mm
Inches
mm
Inches
mm
Inches
mm
.002
0.05
.038
0.97
.093
2.36
.203
5.17
.005
0.13
.040
1.02
.109
2.77
.214
5.44
.010
0.25
.047
1.19
.112
2.84
.219
5.56
.015
0.38
.052
1.32
.120
3.05
.234
5.94
.016
0.41
.062
1.57
.125
3.18
.245
6.22
.020
0.51
.067
1.70
.145
3.68
.281
7.14
.025
0.64
.070
1.78
.156
3.96
.312
7.92
.031
0.79
.078
1.98
.188
4.78
1.000
25.40
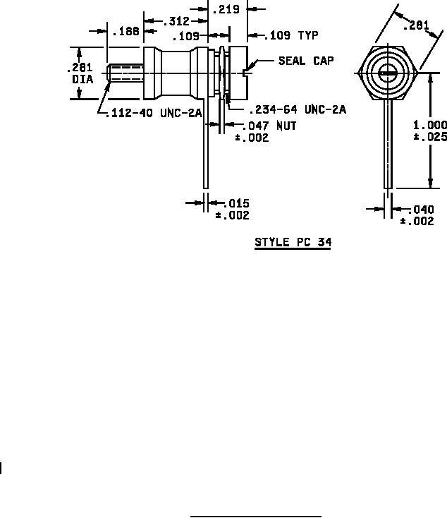
NOTES:
1. Dimensions are in inches.
2. Metric equivalents are given for general information only.
3. Unless otherwise specified, tolerance is ± .016 inch (0.41 mm).
4. Seal cap shall be slotted.
5. For PIN PC30J5R0, this dimension shall be .280 inch (7.11 mm).
FIGURE 1. Dimensions and configurations - Continued.
2
For Parts Inquires submit RFQ to Parts Hangar, Inc.
© Copyright 2015 Integrated Publishing, Inc.
A Service Disabled Veteran Owned Small Business