
INCH POUND
MIL-PRF-14409/16E
25 July 2001
SUPERSEDING
MIL-PRF-14409/16D
27 July 1990
PERFORMANCE SPECIFICATION SHEET
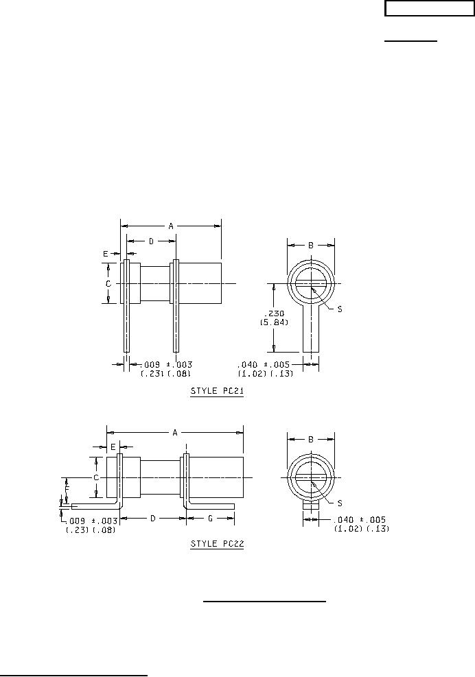
CAPACITORS, VARIABLE (PISTON TYPE,
TUBULAR TRIMMER), STYLES PC21, PC22, PC23, PC24
This specification sheet is approved for use by all Departments
and Agencies of the Department of Defense.
The requirements for acquiring the capacitors described herein shall consist
of this document and the latest issue of specification MIL-PRF-14409.
FIGURE 1. Dimensions and configuration.
AMSC N/A
1 of 4
FSC 5910
DISTRIBUTION STATEMENT A. Approved for public release; distribution is unlimited.