
INCH POUND
MIL-PRF-14409/17C
11 June 2010
SUPERSEDING
MIL-PRF-14409/17B
05 December 2006
PERFORMANCE SPECIFICATION SHEET
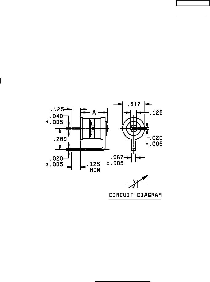
CAPACITORS, VARIABLE (PISTON TYPE,
TUBULAR TRIMMER), STYLE PC17
This specification sheet is approved for use by all Departments
and Agencies of the Department of Defense.
The requirements for acquiring the capacitors described herein shall consist
of this specification sheet and MIL-PRF-14409.
Inches
mm
Inches
mm
.005
0.13
.067
1.70
.016
0.41
.125
3.18
.020
0.51
.280
7.11
.040
1.02
.312
7.92
NOTES:
1. Dimensions are in inches.
2. Metric equivalents are for information only.
3. Unless otherwise specified, tolerance is ± .016 (0.41 mm).
FIGURE 1. Dimensions and configuration.
AMSC N/A
FSC 5910
For Parts Inquires submit RFQ to Parts Hangar, Inc.
© Copyright 2015 Integrated Publishing, Inc.
A Service Disabled Veteran Owned Small Business