
INCH POUND
MIL-PRF-14409/18D
9 July 2009
SUPERSEDING
MIL-PRF-14409/18C
25 July 2001
PERFORMANCE SPECIFICATION SHEET
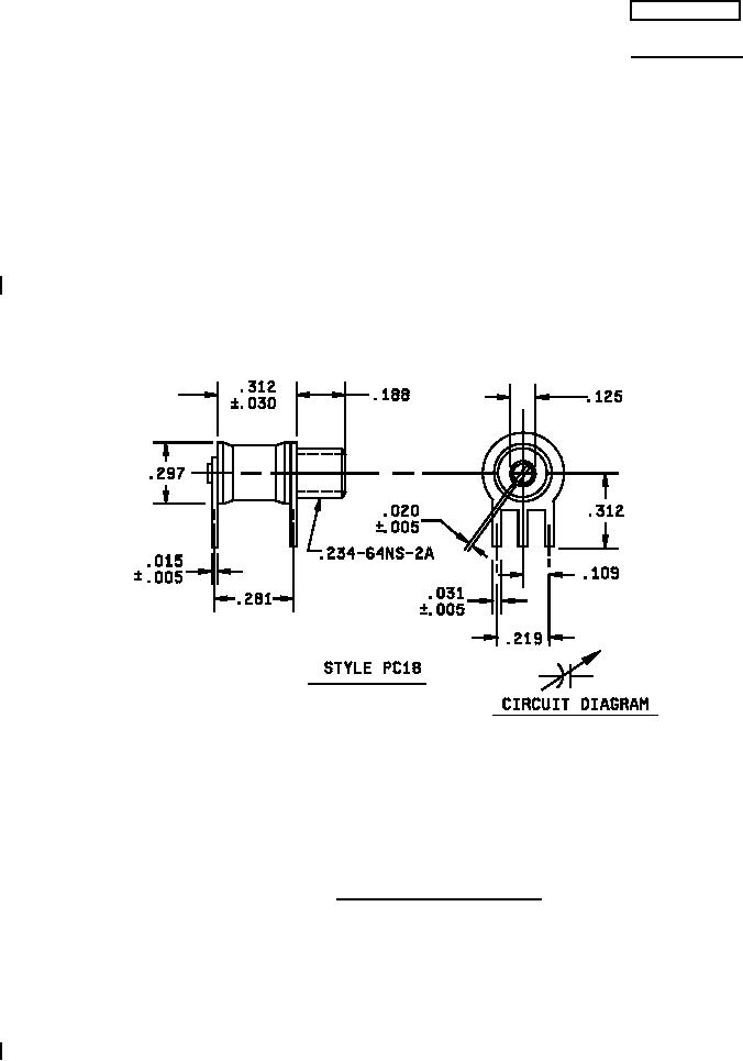
CAPACITORS, VARIABLE (PISTON TYPE,
TUBULAR TRIMMER), STYLES PC18 AND PC46
This specification sheet is approved for use by all Departments
and Agencies of the Department of Defense.
The requirements for acquiring the capacitors described herein shall consist
of this specification sheet and MIL-PRF-14409.
FIGURE 1. Dimensions and configurations.
AMSC N/A
FSC 5910