
INCH-POUND
MIL-PRF-14409/4E
4 December 2013
SUPERSEDING
MIL-PRF-14409/4D
7 March 2007
PERFORMANCE SPECIFICATION SHEET
CAPACITORS, VARIABLE (PISTON TYPE,
TUBULAR TRIMMER), STYLES PC38 AND PC48
This specification sheet is approved for use by all Departments and Agencies of the Department of Defense.
The requirements for acquiring the product described herein shall consist of this specification sheet and MIL-PRF-14409.
Inches
mm
.005
0.13
.016
0.41
.020
0.51
.047
1.19
.080
2.03
.125
3.18
.167
4.24
.171
4.34
.175
4.45
.191
4.85
.195
4.95
.250
6.35
.281
7.14
.312
7.92
1.500 38.10
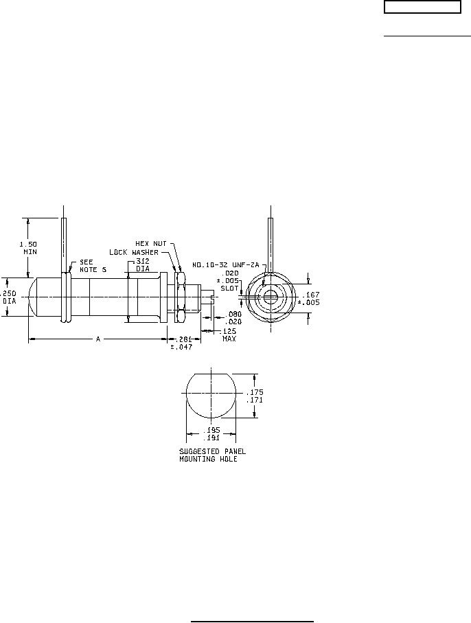
NOTES:
1. Dimensions are in inches.
2. Metric equivalents (to the nearest 0.01 mm) are given for general information only and are based upon
1 inch = 25.4 mm.
3. Unless otherwise specified, tolerance is ±.016.
4. The flat on the mounting bushing shall extend to the mounting surface of the shoulder.
5. There shall be a minimum of one and one-half turns of wire around the body. These turns of wire shall be
completely soldered to the body. For wire sizes see table I.
6. For dimension A see table I.
FIGURE 1. Dimensions and configuration.
AMSC N/A
FSC 5910