
INCH-POUND
MIL-PRF-14409/6D
4 December 2013
SUPERSEDING
MIL-PRF-14409/6C
26 June 2007
PERFORMANCE SPECIFICATION SHEET
CAPACITORS, VARIABLE (PISTON TYPE,
TUBULAR TRIMMER), STYLES PC40 AND PC50
This specification sheet is approved for use by all Departments and Agencies of the Department of Defense.
The requirements for acquiring the product described herein shall consist of this specification sheet and MIL-PRF-14409.
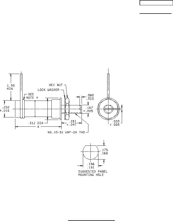
Inches
mm
.005
0.13
.016
0.41
.020
0.51
.047
1.19
.080
2.03
.167
4.24
.168
4.27
.175
4.45
.191
4.85
.196
4.98
.250
6.35
.281
7.14
.312
7.92
1.500
38.10
NOTES:
1. Dimensions are in inches.
2. Metric equivalents (to the nearest 0.01 mm) are given for general information only.
3. Unless otherwise specified, tolerance is ±.016.
4. There shall be a minimum of one and one-half turns of wire around the body. These turns shall be
completely soldered to the body.
5. The flat on the mounting bushing shall extend to the mounting surface of the shoulder.
6. For dimension A see table I.
FIGURE 1. Dimensions and configurations.
AMSC N/A
FSC 5910