
INCH-POUND
MIL-PRF-14409/8D
4 December 2013
SUPERSEDING
MIL-PRF-14409/8C
26 June 2007
PERFORMANCE SPECIFICATION SHEET
CAPACITORS, VARIABLE (PISTON TYPE,
TUBULAR TRIMMER), STYLES PC42 AND PC52
This specification sheet is approved for use by all Departments and Agencies of the Department of Defense.
The requirements for acquiring the product described herein shall consist of this specification sheet and MIL-PRF-14409.
Inches
mm
.005
0.13
.016
0.41
.020
0.51
.030
0.76
.080
2.03
.156
3.96
.234
5.94
.250
6.35
.281
7.14
.312
7.92
.500 12.70
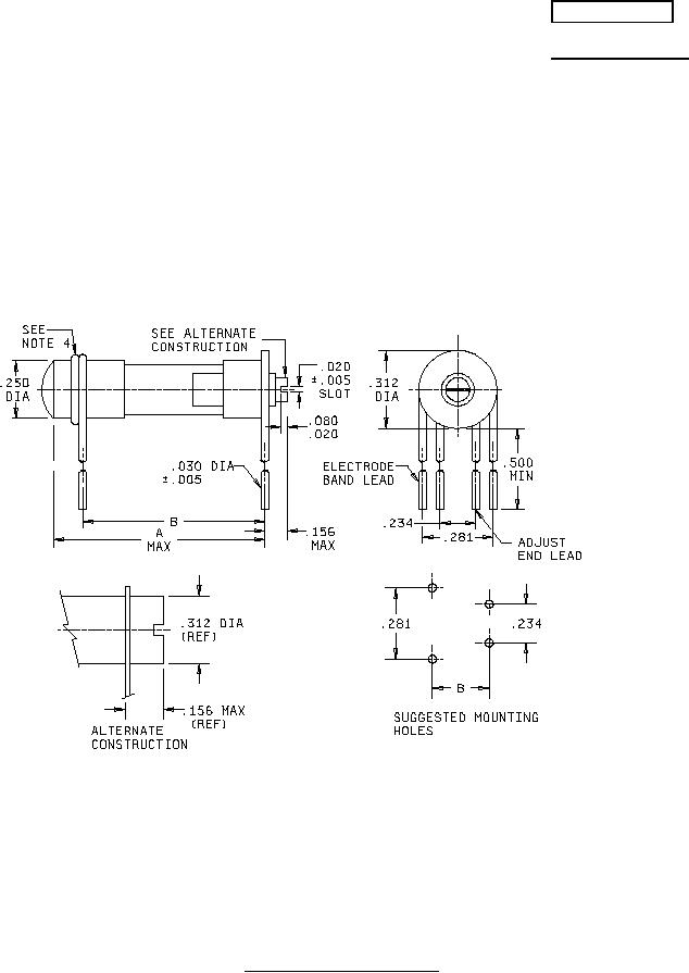
NOTES:
1.
Dimensions are in inches.
2.
Metric equivalents (to the nearest 0.01 mm) are given for general information only.
3.
Unless otherwise specified, tolerance is ±.016.
4.
There shall be a minimum of one and one-half turns of wire around the body. These turns of wire shall be
completely soldered to the body.
5.
This style capacitor is designed for printed-circuit mounting.
6.
For dimensions A and B see table I.
FIGURE 1. Dimensions and configuration.
AMSC N/A
FSC 5910