
INCH-POUND
MIL-PRF-14409/9H
4 December 2013
SUPERSEDING
MIL-PRF-14409/9G
26 June 2007
PERFORMANCE SPECIFICATION SHEET
CAPACITORS, VARIABLE (PISTON TYPE,
TUBULAR TRIMMER), STYLE PC43
This specification sheet is approved for use by all Departments and Agencies of the Department of Defense.
The requirements for acquiring the products described herein shall consist of this specification sheet and MIL-PRF-14409.
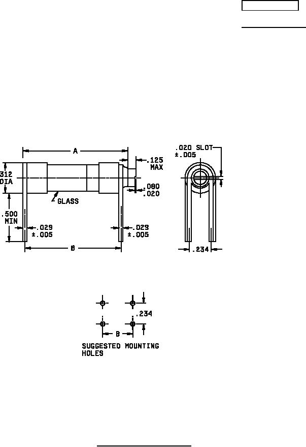
Inches
mm
.005
0.13
.016
0.41
.020
0.51
.029
0.74
.080
2.03
.125
3.18
.234
5.94
.312
7.92
.500
12.70
NOTES:
1. Dimensions are in inches.
2. Metric equivalents are given for general information only.
3. Unless otherwise specified, tolerance is ±.016.
4. This style capacitor is designed for printed-circuit mounting.
FIGURE 1. Dimensions and configurations.
AMSC N/A
FSC 5910