
INCH-POUND
MIL-PRF-19978/10B
6 September 2002
SUPERSEDING
MIL-PRF-19978/10A
27 May 1999
PERFORMANCE SPECIFICATION SHEET
CAPACITORS, FIXED, PLASTIC (OR PAPER-PLASTIC) DIELECTRIC, AXIAL-WIRE
TERMINAL, TANGENTIAL RETAINER, TUBULAR (UNINSULATED)
(HERMETICALLY SEALED IN METAL CASES),
ESTABLISHED RELIABILITY, STYLE CQR12
This specification is approved for use by all Departments
and Agencies of the Department of Defense.
The requirements for acquiring the product described herein
shall consist of this specification and MIL-PRF-19978.
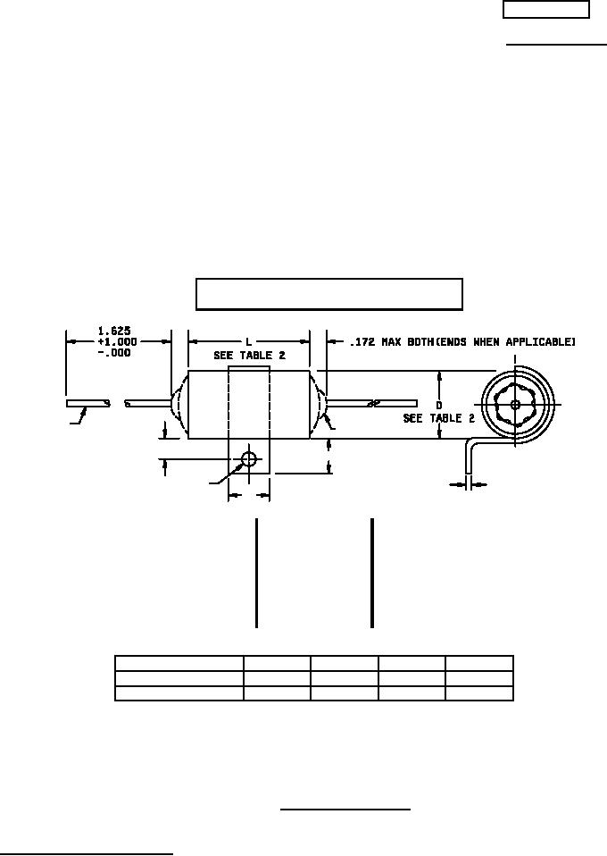
FAILURE RATE LEVEL "L" IS INACTIVE FOR
NEW DESIGN AFTER 14 SEPTEMBER 1983.
SEE
GROUNDED END
NOTE 3
E
H
F
.0625 MAX
G
Inches
mm
Inches
mm
Inches
mm
.001
.03
.0625
1.59
.312
7.92
.004
.10
.144
3.66
.400
10.16
.005
.13
.156
3.96
.438
11.13
.025
.64
.172
4.37
.500
12.70
.031
.79
.188
4.78
.562
14.27
.032
.81
.235
5.97
1.000
25.40
.062
1.57
.250
6.35
1.625
41.38
H ± .062
G ± .062
E ± .031
F ± .005
Case dimension D
Less than .500
.312
.250
.188
.144
.500 and up
.438
.500
.250
.156
NOTES:
1.
Dimensions are in inches.
2.
Metric equivalents are given for general information only.
3.
Leads shall be of tinned solid wire, .025(No. 22 AWG) for cases .235 and .312 in diameter; and .032(No. 20
AWG) for cases .400 diameter and above. Tolerance on all lead wire diameters shall be +.004, -.001.
FIGURE 1. Style CQR12 capacitors.
AMSC N/A
1 of 6
FSC 5910
DISTRIBUTION STATEMENT A. Approved for public release; distribution is unlimited.