
INCH-POUND
MIL-PRF-19978/11C
26 March 2009
SUPERSEDING
MIL-PRF-19978/11B
6 September 2002
PERFORMANCE SPECIFICATION SHEET
CAPACITORS, FIXED, PLASTIC (OR PAPER-PLASTIC) DIELECTRIC, AXIAL-WIRE
THREADED-STUD RETAINER, TUBULAR (UNINSULATED)
(HERMETICALLY SEALED IN METAL CASES),
ESTABLISHED RELIABILITY, STYLE CQR13
This specification sheet is approved for use by all Departments
and Agencies of the Department of Defense.
The requirements for acquiring the product described herein
shall consist of this specification sheet and MIL-PRF-19978.
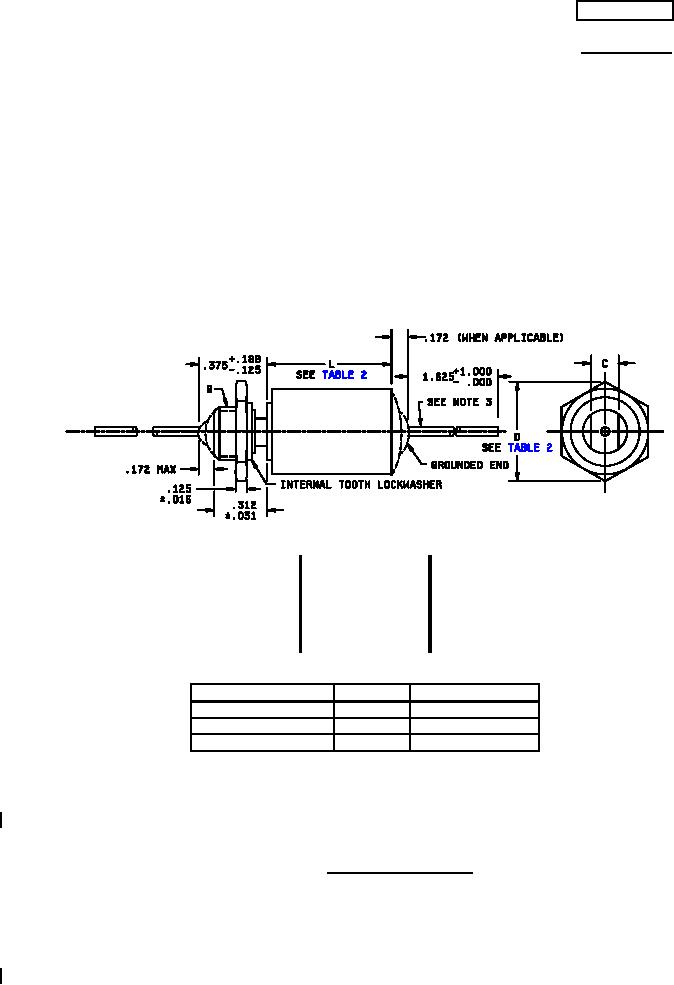
Inches
mm
Inches
mm
Inches
mm
.001
0.03
.125
3.18
.437
11.10
.004
0.10
.172
4.37
.562
14.27
.005
0.13
.188
4.78
.670
17.02
.016
0.41
.250
6.35
.750
19.05
.031
0.79
.312
7.92
1.000
25.40
.032
0.81
.375
9.53
1.625
41.38
C .005
Case dimension D
G
.562 or less
.250
5/16-24UNF-2A
.670
.375
7/16-28UNEF-2A
.750 and up
.437
1/2-28UNEF-2A
NOTES:
1.
Dimensions are in inches.
2.
Metric equivalents are given for general information only.
3.
Leads shall be of solder coated solid wire, .032 +.004, -.001 (No. 20 AWG).
4.
Mounting nuts and lockwashers shall be supplied.
FIGURE 1. Style CQR13 capacitors.
AMSC N/A
FSC 5910
For Parts Inquires submit RFQ to Parts Hangar, Inc.
© Copyright 2015 Integrated Publishing, Inc.
A Service Disabled Veteran Owned Small Business