
INCH-POUND
MIL-PRF-19978/15A
27 May 1999
SUPERSEDING
MIL-C-19978/15
20 October 1972
PERFORMANCE SPECIFICATION SHEET
CAPACITORS, FIXED, PLASTIC DIELECTRIC, AXIAL-WIRE TERMINAL,
THREADED-STUD RETAINER, TUBULAR (UNINSULATED)
(HERMETICALLY SEALED IN METAL CASES),
ESTABLISHED RELIABILITY, STYLE CQR33
This specification is approved for use by all Departments
and Agencies of the Department of Defense.
The complete requirements for procuring the capacitors described herein
shall consist of this specification and MIL-PRF-19978.
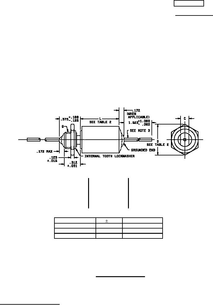
Inches
mm
Inches
mm
Inches
mm
.001
.03
.125
3.18
.437
11.10
.004
.10
.172
4.37
.562
14.27
.005
.13
.188
4.78
.670
17.02
.016
.41
.250
6.35
.750
19.05
.031
.79
.312
7.92
1.000
25.40
.032
.81
.375
9.53
1.625
41.28
Case dimension D
G
C .005
.562 or less
.250
5/16-24UNF-2A
.670
.375
7/16-28UNEF-2A
.750 and up
.437
1/2-28UNEF-2A
NOTES:
1. Dimensions are in inches.
2. Metric equivalents are given for general information only.
3. Leads shall be of tinned solidwire, .032 + .004, -.001 (No. 20 AWG).
4. Mounting nuts and lockwashers shall be supplied.
FIGURE 1. Style CQR33 capacitors.
AMSC N/A
1 of 7
FSC 5910
DISTRIBUTION STATEMENT A. Approved for public release; distribution is unlimited.