
INCH-POUND
MIL-PRF-19978/3H
1 October 2008
SUPERSEDING
MIL-PRF-19978/3G
9 August 2002
PERFORMANCE SPECIFICATION SHEET
CAPACITORS, FIXED, PLASTIC (OR PAPER-PLASTIC) DIELECTRIC,
(HERMETICALLY SEALED IN METAL CASES), STYLE CQ72
This specification is approved for use by all Departments
and Agencies of the Department of Defense.
The requirements for acquiring the product described herein
shall consist of this specification sheet and MIL-PRF-19978.
Characteristic K is inactive for new design after 22 July 1991.
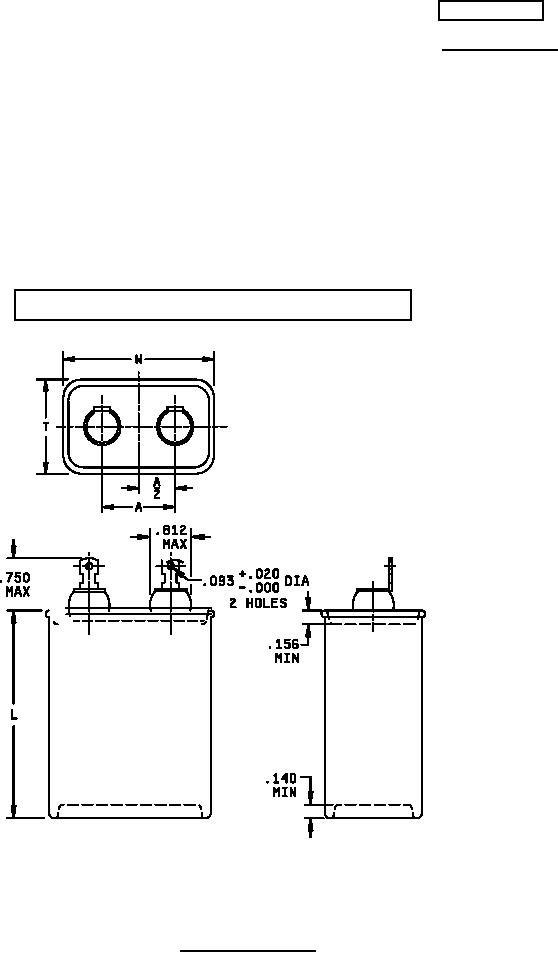
FIGURE 1. Style CQ72 capacitors.
AMSC N/A
FSC 5910
.
For Parts Inquires submit RFQ to Parts Hangar, Inc.
© Copyright 2015 Integrated Publishing, Inc.
A Service Disabled Veteran Owned Small Business