
INCH-POUND
MIL-PRF-20/35K
21 April 2011
SUPERSEDING
MIL-PRF-20/35J
21 June 2001
PERFORMANCE SPECIFICATION SHEET
CAPACITORS, FIXED, CERAMIC DIELECTRIC
(TEMPERATURE COMPENSATING),
ESTABLISHED AND NON-ESTABLISHED RELIABILITY,
STYLES CCR05, CC05, CCR09, AND CC09
Styles CC05 and CC09 are inactive for
new design after 19 September 1983.
Use CCR05 and CCR09.
This specification is approved for use by all Departments
and Agencies of the Department of Defense.
The requirements for acquiring the capacitors described herein
shall consist of this specification sheet and MIL-PRF-20.
Inches
mm
.010
0.25
.015
0.38
.030
0.75
.045
1.15
.090
2.29
.100
2.54
.190
4.83
.200
5.08
1.250 31.75
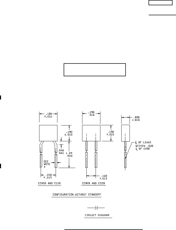
FIGURE 1. Styles CCR05, CC05, CCR09, and CC09 capacitors.
AMSC N/A
FSC 5910
For Parts Inquires submit RFQ to Parts Hangar, Inc.
© Copyright 2015 Integrated Publishing, Inc.
A Service Disabled Veteran Owned Small Business