
INCH-POUND
MIL-PRF-20/36G
21 April 2011
SUPERSEDING
MIL-PRF-20/36F
21 June 2001
PERFORMANCE SPECIFICATION SHEET
CAPACITORS, FIXED, CERAMIC DIELECTRIC
(TEMPERATURE COMPENSATING),
ESTABLISHED AND NON-ESTABLISHED RELIABILITY,
STYLES CCR06 AND CC06
Style CC06 is inactive for new design
after 19 September 1983. Use CCR06.
This specification is approved for use by all Departments
and Agencies of the Department of Defense.
The requirements for acquiring the capacitors described herein
shall consist of this specification sheet and MIL-PRF-20.
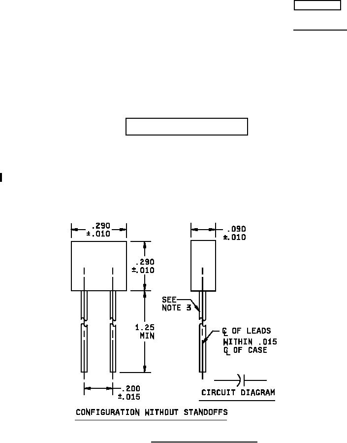
FIGURE 1. Styles CCR06 and CC06 capacitors.
AMSC N/A
FSC 5910
For Parts Inquires submit RFQ to Parts Hangar, Inc.
© Copyright 2015 Integrated Publishing, Inc.
A Service Disabled Veteran Owned Small Business