
INCH-POUND
MIL-PRF-23269/2H
31 July 2009
SUPERSEDING
MIL-PRF-23269/2G
10 June 1999
PERFORMANCE SPECIFICATION SHEET
CAPACITORS, FIXED, GLASS DIELECTRIC,
(AXIAL WIRE-LEAD TERMINALS), ESTABLISHED RELIABILITY,
STYLE CYR15
This specification sheet is approved for use by all Departments
and Agencies of the Department of Defense.
The requirements for acquiring the product described herein shall
consist of this specification sheet and MIL-PRF-23269.
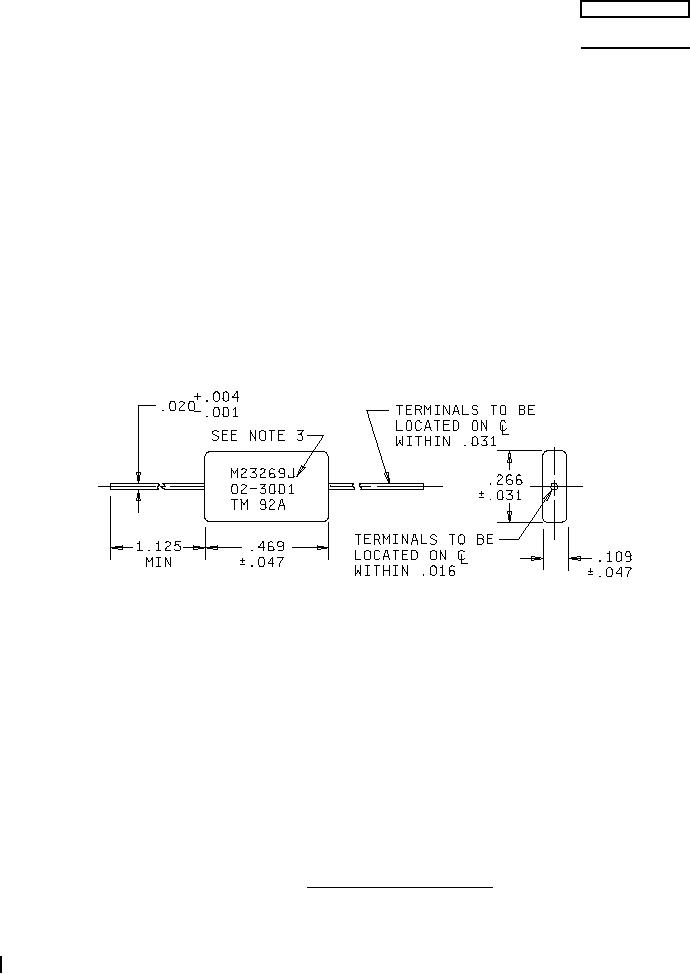
Inches
mm
Inches
mm
.001
0.03
.047
1.19
.004
0.10
.109
2.77
.016
0.41
.266
6.76
.020
0.51
.469
11.91
.031
0.79
1.125
28.58
NOTES:
1. Dimensions are in inches.
2. Metric equivalents are given for general information only.
3. See marking requirement.
FIGURE 1. Dimensions and configurations.
AMSC N/A
FSC 5910