
INCH-POUND
MIL-PRF-23269/3G
10 June 1999
SUPERSEDING
MIL-C-23269/3F
4 February 1993
PERFORMANCE SPECIFICATION SHEET
CAPACITORS, FIXED, GLASS DIELECTRIC,
(AXIAL WIRE-LEAD TERMINALS), ESTABLISHED RELIABILITY,
STYLE CYR20
This specification is approved for use by all Departments
and Agencies of the Department of Defense.
The requirements for acquiring the product described herein shall
consist of this specification and MIL-PRF-23269.
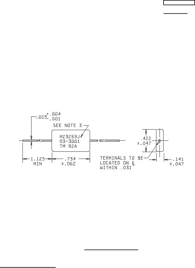
Inches
mm
Inches
mm
.001
0.03
.062
1.57
.004
0.10
.141
3.58
.025
0.64
.422
10.72
.031
0.79
.734
18.64
.047
1.19
1.125
28.58
NOTES:
1. Dimensions are in inches.
2. Metric equivalents are given for general information only.
3. See marking requirement.
FIGURE 1. Dimensions and configurations.
AMSC N/A
1 of 5
FSC 5910
DISTRIBUTION STATEMENT A. Approved for public release; distribution is unlimited.