
INCH-POUND
MIL-PRF-39001/6A
28 August 1997
SUPERSEDING
MIL-C-39001/6
28 April 1978
PERFORMANCE SPECIFICATION SHEET
CAPACITORS, FIXED, MICA DIELECTRIC, ESTABLISHED RELIABILITY,
STYLE CMR16
This specification is approved for use by all Departments
and Agencies of the Department of Defense.
The requirements for acquiring the product described herein shall consist of this
specification and MIL-PRF-39001.
FAILURE RATE LEVEL 'L' IS INACTIVE
FOR DESIGN AFTER 29 JULY 1983
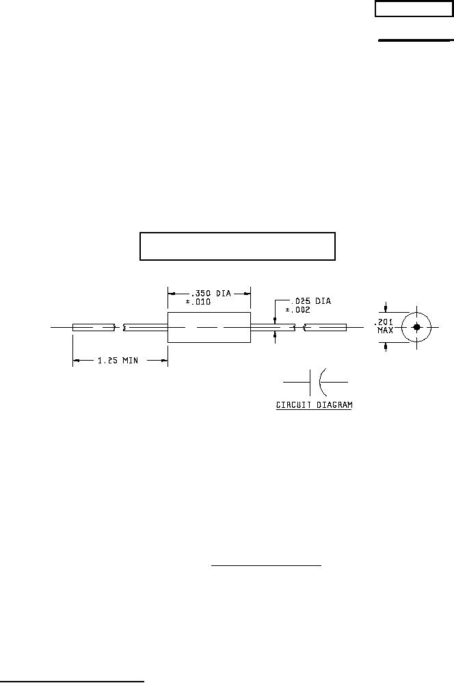
INCHES
mm
.002
0.05
.010
0.25
.025
0.64
.201
5.11
.350
8.89
1.25
31.8
NOTES:
1. Dimensions are in inches.
2. Metric equivalents are given for general information only.
FIGURE 1. Style CMR16 capacitors.
AMSC N/A
1 of 5
FSC 5910
DISTRIBUTION STATEMENT A. Approved for public release; distribution is unlimited.