
INCH-POUND
MIL-PRF-39003/1K
10 November 2009
SUPERSEDING
MIL-PRF-39003/1J
6 October 2005
PERFORMANCE SPECIFICATION SHEET
CAPACITOR, FIXED, ELECTROLYTIC (SOLID ELECTROLYTE), TANTALUM,
(POLARIZED, SINTERED SLUG), ESTABLISHED RELIABILITY,
STYLE CSR13
FAILURE RATE LEVELS "M", "P", AND "R" ARE
INACTIVE FOR NEW DESIGN AFTER 2 FEBRUARY 1984
FAILURE RATE LEVEL "S" IS INACTIVE
FOR NEW DESIGN AFTER 15 AUGUST 1984
This specification is approved for use by all Depart-
ments and Agencies of the Department of Defense.
The requirements for acquiring the product described herein
shall consist of this specification sheet and MIL-PRF-39003.
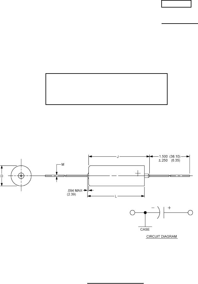
FIGURE 1. Dimensions and configuration.
AMSC N/A
FSC 5910