
INCH-POUND
MIL-PRF-39003/10D
10 December 2009
SUPERSEDING
MIL-PRF-39003/10C
27 March 2006
PERFORMANCE SPECIFICATION SHEET
CAPACITORS, FIXED, ELECTROLYTIC (SOLID ELECTROLYTE),
TANTALUM, (POLARIZED, SINTERED SLUG), ESTABLISHED
RELIABILITY, STYLES CSS13 AND CSS33
(HIGH RELIABILITY APPLICATIONS)
This specification is approved for use by all Departments
and Agencies of the Department of Defense.
The requirements for acquiring the product described herein shall consist of
this specification and MIL-PRF-39003.
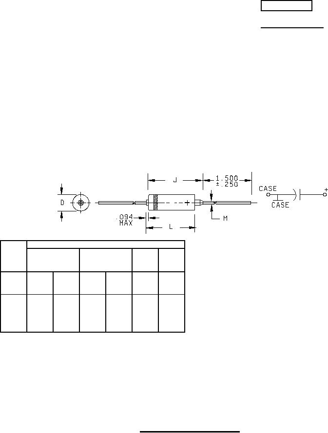
Dimensions
Inches
mm
Inches
mm
.002
0.05
.341
8.66
Case
Insulated
Uninsulated
M
J
.015
0.38
.351
8.92
±.002
Size
max
.016
0.41
.422
10.72
L
D
L
D
.020
0.51
.438
11.13
±.031
±.031
+.016
+.016
.025
0.64
.474
12.04
-.015
-.015
.031
0.79
.610
15.49
.094
2.39
.650
16.51
A
.286
.135
.250
.125
.020
.422
.125
3.18
.686
17.42
B
.474
.185
.438
.175
.020
.610
.135
3.43
.750
19.05
C
.686
.289
.650
.279
.025
.822
.175
4.45
.786
19.96
D
.786
.351
.750
.341
.025
.922
.185
4.70
.822
20.88
.250
6.35
.922
23.42
.279
7.09
1.500
38.10
.286
7.26
NOTES:
.289
7.34
1. Dimensions are in inches.
2. Metric equivalents are given for general information only.
3. The case insulation shall extend .015 (0.38 mm) minimum beyond each end. However, when a
shrink-fitted insulation is used, it shall lap over the ends of the capacitor body.
4. Lead length may be a minimum of 1-inch long for use in tape and reel automatic insertion
equipment, when specified.
5. Black band to indicate negative end of case.
FIGURE 1. Dimensions and configurations.
AMSC N/A
FSC 5910
For Parts Inquires submit RFQ to Parts Hangar, Inc.
© Copyright 2015 Integrated Publishing, Inc.
A Service Disabled Veteran Owned Small Business