
INCH-POUND
MIL-PRF-39006/18A
17 April 2002
SUPERSEDING
MIL-C-39006/18
28 August 1970
PERFORMANCE SPECIFICATION SHEET
CAPACITORS, FIXED, ELECTROLYTIC (NONSOLID ELECTROLYTE), TANTALUM,
(POLARIZED, SINTERED SLUG), 85°C (VOLTAGE DERATED TO 125°C),
ESTABLISHED RELIABILITY,
STYLE CLR10
This specification is approved for use by all Depart-
ments and Agencies of the Department of Defense.
The requirements for acquiring the product described herein
shall consist of this document and MIL-PRF-39006.
INACTIVE FOR NEW DESIGN AFTER
23 JUNE 1981. FOR NEW DESIGN,
USE MIL-PRF-39006/22.
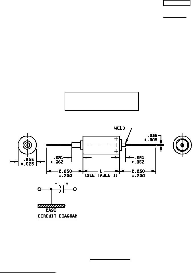
Inches
mm
.005
0.13
.025
0.64
.035
0.89
.062
1.57
.250
6.35
.281
7.14
.656
16.66
NOTES:
2.250
57.15
1. Dimensions are in inches.
2. Metric equivalents (to the nearest 0.01 mm) are given for general information only and are based upon
1 inch = 25.4 mm.
FIGURE 1. Style CLR10 capacitors.
AMSC N/A
1 of 6
FSC 5910
DISTRIBUTION STATEMENT A. Approved for public release; distribution is unlimited.
For Parts Inquires submit RFQ to Parts Hangar, Inc.
© Copyright 2015 Integrated Publishing, Inc.
A Service Disabled Veteran Owned Small Business