
INCH-POUND
MIL-PRF-39014/20E
3 November 2005
SUPERSEDING
MIL-PRF-39014/20D
18 June 2001
PERFORMANCE SPECIFICATION SHEET
CAPACITORS, FIXED, CERAMIC DIELECTRIC (GENERAL PURPOSE),
ESTABLISHED RELIABILITY, STYLE CKR08
This specification is approved for use by all Departments
and Agencies of the Department of Defense.
The requirements for acquiring the product described herein
shall consist of this specification sheet and MIL-PRF-39014.
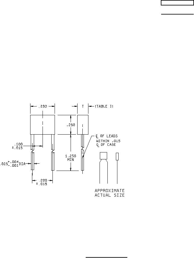
Inches
mm
.001
0.03
.004
0.10
.015
0.38
.025
0.64
.100
2.54
.200
5.08
.290
7.37
1.250
31.75
NOTES:
1. Dimensions are in inches.
2. Metric equivalents are given for general information only.
3. Unless otherwise specified, tolerance is ±.010 (0.25 mm).
4. Insulating coating shall not extend more than .010 (0.25 mm) along lead wires.
FIGURE 1. Capacitor style CKR08.
AMSC N/A
1 of 4
FSC 5910