
INCH-POUND
MIL-PRF-39014/21B
6 December 2006
SUPERSEDING
MIL-PRF-39014/21A
16 June 2001
PERFORMANCE SPECIFICATION SHEET
CAPACITORS, FIXED, CERAMIC DIELECTRIC (GENERAL PURPOSE),
ESTABLISHED RELIABILITY, STYLES CKR31 AND CKR32
This specification is approved for use by all Departments
and Agencies of the Department of Defense.
The requirements for acquiring the product described herein shall
consist of this specification sheet and MIL-PRF-39014.
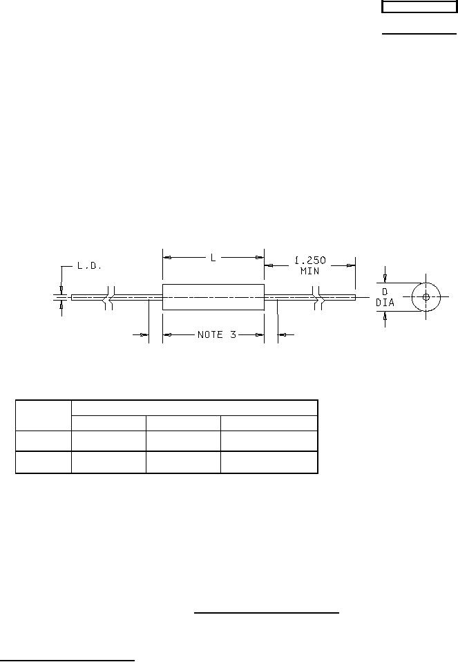
Inches
mm
DIMENSIONS
STYLE
.002
0.05
L
D
Lead Diameter, L.D.
.010
0.25
.240 ± .010
.090 ± .010
.017 ± .002
.017
0.43
CKR31
.090
2.29
.240 ± .010
.130 ± .010
.017 ± .002
CKR32
.130
3.30
.240
6.10
1.250
31.75
NOTES:
1. Dimensions are in inches.
2. Metric equivalents are given for general information only.
3. Non-conductive material shall not extend beyond .010 (.25 mm) from end of capacitor body.
4. Lead length may be a minimum of 1.00 inch (25.4 mm) long for use in tape and reel packaging, when specified in
the ordering data.
FIGURE 1. Capacitor style CKR31 and CKR32.
AMSC N/A
FSC 5910
DISTRIBUTION STATEMENT A. Approved for public release; distribution is unlimited.