
INCH-POUND
MIL-PRF-39018/7C
20 February 2009
SUPERSEDING
MIL-PRF-39018/7B
16 May 2007
PERFORMANCE SPECIFICATION SHEET
CAPACITORS, FIXED, ELECTROLYTIC (ALUMINUM OXIDE)
(POLARIZED), (FOUR-TERMINAL), ESTABLISHED RELIABILITY
STYLE CUR19 (INSULATED)
This specification is approved for use by all Depart-
ments and Agencies of the Department of Defense.
The requirements for acquiring the product described herein
shall consist of this specification sheet and MIL-PRF-39018.
NOTES:
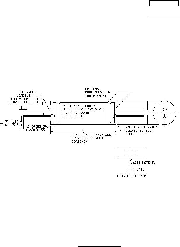
1. Dimensions are in inches.
2. Metric equivalents are given for general information only and are based upon 1.00 = 25.4 mm.
3. Metric equivalents are in parentheses.
4. These capacitors are not intended to be mounted by their leads.
5. There is an indeterminate resistance between the metal case and the negative terminals.
6. Example of marking and its relative location on the capacitor body
FIGURE 1. Style CUR19 capacitors.
AMSC N/A
FSC 5910
For Parts Inquires submit RFQ to Parts Hangar, Inc.
© Copyright 2015 Integrated Publishing, Inc.
A Service Disabled Veteran Owned Small Business